LEMON Manuals: Even more car manuals for everyone: 1960-2025
Home >> Hyundai >> 2012 >> Equus V8-5.0L >> Repair and Diagnosis >> Diagrams >> Electrical Diagrams >> Power Trunk / Liftgate Control Module
April 5, 2026: LEMON Manuals is launched! Read the announcement.

Power Trunk / Liftgate Control Module

SD952-17 Power Trunk Module (PTM) (1):




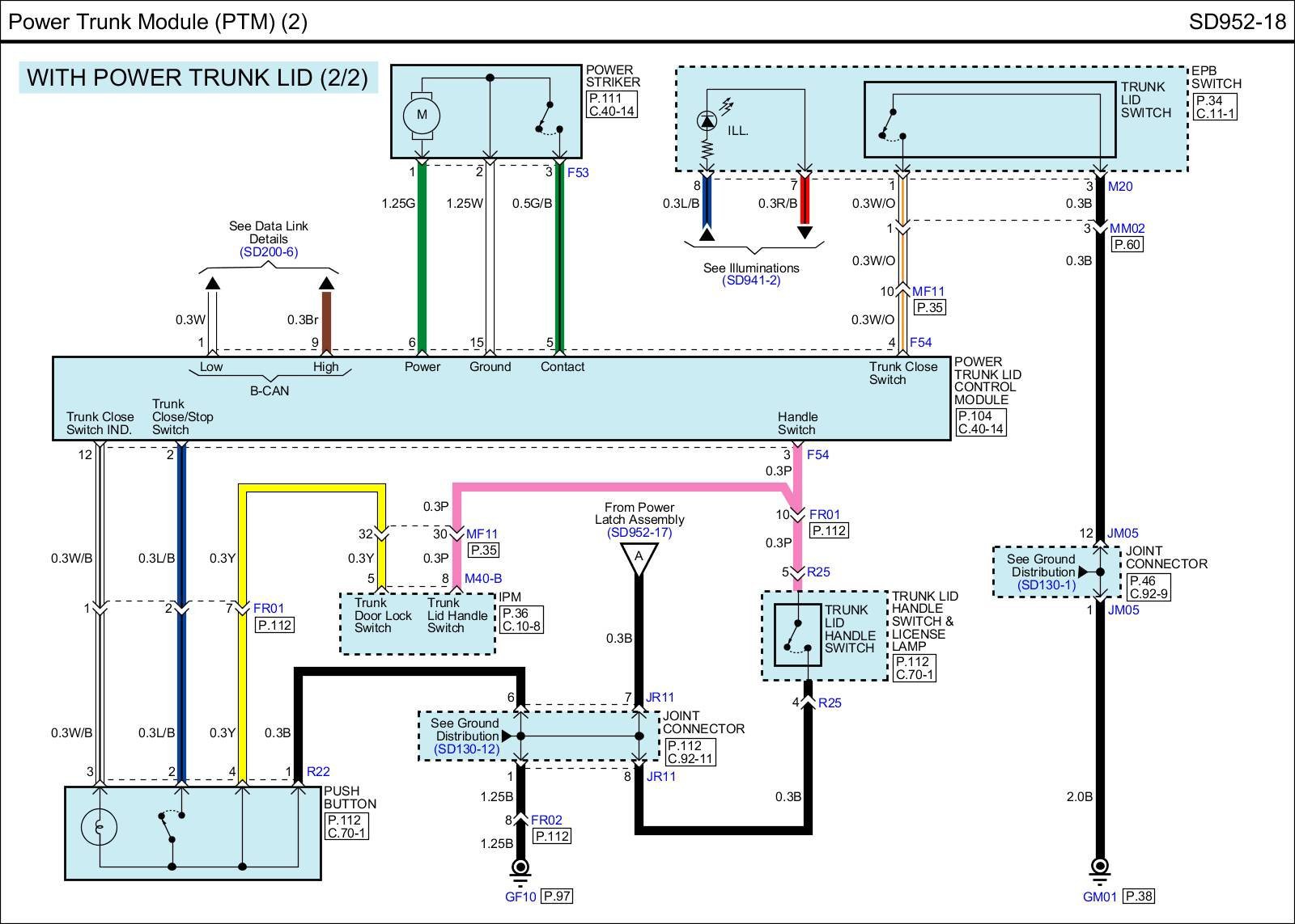
SD952-18 Power Trunk Module (PTM) (2):




SD952-19 Power Trunk Module (PTM) (3):






Diagrams: Other diagrams referred to by SD number (i.e SD130-4, etc.) within these diagrams can be found at Diagrams by Number. Diagrams By Number

Locations: Location photographs (references to PHOTOS) referred to within these diagrams can be found via the photo number at the vehicle level under Locations by Photo Number. Locations By Photo Number