LEMON Manuals: Even more car manuals for everyone: 1960-2025
Home >> Hyundai >> 2012 >> Equus V8-5.0L >> Repair and Diagnosis >> Powertrain Management >> Computers and Control Systems >> Body Control Module >> Description and Operation >> Part 1 of 2
April 5, 2026: LEMON Manuals is launched! Read the announcement.

Part 1 of 2





Description

Body control module system receives various input switch signals controlling time and alarm functions for the intermittent wiper timer, washer timer, seat belt reminder, decayed out room lamp, central door lock, power window timer, door warning, tail lamp auto cut, crash door unlock, auto door lock, 2-Turn unlock and keyless entry & burglar alarm.

Operation

Warning Function Control
The Warning function includes the sub functions.
- Buzzer Warning
- Indicator Warning
- External Buzzer Warning for smart key function
- Smart key Lamp Warning
- ESCL System Indicator Warning
- Trunk open close flashing warning




The Buzzer warning control includes the features.
- Seat belt warning for driver side and assist side.
- Overspeed warning in case of more than 120km/h for some of the Middle East countries.
- Key operated warning in case of key inserted and drive door open.
- IPM Internal buzzer priority: 1st has the highest priority.
- 1st: Diagnostic sound (provided to test the Buzzer by way of Diagnostic tool)
- 2nd : Seat Belt warning
- 3rd : Overspeed warning
- 4th : Key operated warning
- 5th : Parking Brake warning
- 6th : "ESCL not blocked" warning (SMK option only)
- 7th : Vehicle not P warning (SMK option only)
- 8th : Key learning sound with High SCAN tool, non SMK option only
- 9th : Key learning sound with Code Saving tool, non SMK option only
- 10th : Warnings for SMK systems (4 warnings - SMK option only)
- 11th : EPB Alarm warning
1. Seat Belt Warning Function
The driver side indicator in the Cluster is activated by 'Driver Seat Belt Indicator Status' CAN signal and the assistant side indicator is activated by the IPM output 'Assist Seat Belt Indicator'.
Seat Belt Warning Sound:
In case of Driver side 6sec Indicator, the cluster module operates it after receiving 'Driver Seat Belt Indicator Status' from the IPM. So if the IPM sends 'Driver Seat Belt Indicator Status = blinking' over 6sec then the IPM sounds buzzer warning one more time.
Frequency: 800 Hz
Sound period: T2 = 1sec
Sound duration: T1 = 6sec
Assistant Seat Belt Indicator:
Duty: 50%
Period: T2 = 1sec
Duration: T1 = 6sec




Driver Seat Belt IND and Buzzer Sound Logic Condition
(1) While IGN1 On status if IPM detects Seat Belt transition UNFASTEN -> FASTEN, BUZZER SOUND stops immediately but DRIVER SEAT BELT IND continues working for the remained time.
(2) While IGN1 ON status if there is a Seat Belt transition FASTEN -> UNFASTEN, DRIVER SEAT BELT IND and BUZZER SOUND are always activated for one period.
(3) If IGN1 is turned OFF during SEAT BELT WARNING, the DRIVER SEAT BELT IND and BUZZER SOUND stops immediately.
(4) If IPM detects IGN ON signal regardless of Seat Belt status, DRIVER SEAT BELT IND should be triggered for defined timing for IND check but Buzzer SOUND should be played only in case of unfastened Seat Belt.

NOTE:
- Seat belt warning buzzer sound is optional while driver seat belt warning indicator is always present in all software variant.
- The in-circuited magnetic buzzer sound is used for seat belt warning.




T1: 6 ± 1 sec
2. Key Operated Warning
A. Condition : (Key IN = ON or ACC=ON or FOB IN=ON) and (IGN1 IPM=OFF, IGN2 IPM=OFF, ALT L=OFF)
B. Input : Driver door switch = Open
C. Output : Buzzer = On
3. Parking Brake Warning
A. Condition : (IGN1 = ON) and (10km/h = vehicle speed)
B. Input : Parking Brake = On
C. Output : Buzzer = On
4. Key Learning Sound
When each Key's learning is ended, magnetic buzzer is operated, every one time.
5. Key Battery Discharge Warning
A. If the terminal state changed from IGN or Engine Running to OFF with Fob absence in fob holder, then the IPM generates this warning.
B. "Steering Column Not Locked Warning" warning sound.
6. Steering Column Not Locked Warning
If all terminals are Off and the ESCL is not locked while the last command was a block command, the IPM generates this warning.
7. Steering Column IS Not UNLocked Warning
After SSB(Start Stop Button) press, If the steering lock is not unlocked due to any failure except ESCL failure, then the IPM generates a corresponding warning.
8. Vehicle Not P Warning
When gear is not P position and Vehicle speed is less than 5km/h (VS < 5kmh), if IPM internal status change from IGN or Engine Running to ACC, then the IPM generates a corresponding warning.
9. SMK System Buzzer Warning
Warning sounds are necessary for the SMK(smartkey) system in the following cases:
FOB IN means FOB is inserted in FOB holder.
(1) ID out warning
While the valid Fob is not inside car, if all doors are closed at IGN or ACC state, the buzzer warning (external and internal) sound is activated for 3sec.




(2) Door Lock warning 1
While the valid Fob is founded near by outside handle and all doors are closed at ACC or IGN state without Fob IN, the buzzer warning(external) sound is activated for 3sec.
The "Door lock warning1" sound stops, when the activity timer elapsed or (ACC=OFF) or NOT (ALL DOORS CLOSED) or (FOB IN).
(3) Door Lock warning 2
While the valid Fob is founded near by outside handle and any door open at terminal OFF state without Fob IN, the buzzer warning(external) sound is activated for 3sec.
The "Door lock warning2" sound stops, when the activity timer elapsed or ACC=ON or IGN1 = ON or ALL DOOR CLOSED or FOB IN.
(4) Door Lock warning 3
While the valid Fob is inside car and all doors are closed at terminal OFF state without FOB in, the buzzer warning(external) sound is activated for 3sec.
The "Door lock warning3" sound stops, when the activity timer elapsed or ACC=ON or IGN1 = ON or NOT (ALL DOOR CLOSED) or FOB IN.
10. SMK Key Reminder Warning 2 (SMK Option Only)
Any door opens at terminal OFF state without FOB in. After transition to all door closed within 500msec, if the valid Fob is in side car and all door locked then IPM transmits SMK key reminder warning 2 command (SMK Warning
11. SMK System Lamp Warning (SMK Option Only)
While the valid Fob is not inside car and 3Km/h is not set(3km = Off) at Fob In = Off, ACC = On or IGN1 IPM = On then send SMK Warning IND = SMK Lamp Waring.
12. SMK System Trunk Warning (SMK Option Only)
While the valid Fob is inside trunk and the trunk open state, the IPM detects the trunk closed state then IPM transmits trunk warning command (SMK Warning).
If a 5sec trunk re-opening warning sound is in progress and there is another trunk re-opening warning sound request before the end of the previous 5sec buzzer, the warning is re-triggered for 5 seconds.
13. Trunk Open Closing Warning
Trunk Open Warning:
A. The ATWS changes from ARM to ARMHOLD by TRUNK open command and detects trunk open, the IPM transmits Alarm Warning Buzzer Disarm(Two Times) to FAM.
B. The ATWS changes from ARMWAIT to PREARM by TRUNK open command and detects trunk open, the IPM transmits Alarm Warning Buzzer Disarm(Two Times) to FAM.
C. The IPM is in ARMHOLD and detects trunk open transition, the IPM transmits Alarm Warning Buzzer Disarm(Two Times) to FAM
Trunk Closing Warning:
A. The IPM is in ARMHOLD and detects trunk close transition, the IPM transmits
14. ESCL System Indicator Warning
The IPM sends SMK Warning.
IPM send SMK Warning IND to CLU(Cluster) and PDM by state sending type.
(1) Shift "P" Warning ID
This warning appears when the SSB is pushed to stop the engine or to switch off all terminals with the A/T gear M lever in any position except the 'P' position. If this warning appears, the terminal system is remains in the [ACC] position state instead of the OFF position.
(2) Key Battery Discharge Warning
This indicator appears when the Key battery is running out of power.
(3) Steering Column Not Unlock Warning
If the steering lock is not unlocked due to the load applied to the steering wheel when pushing the SSB, the IPM generates a corresponding warning and the SSB indicator light blinks blue.
(4) Steering Column Not Locked Warning
If all terminals are Off and the ESCL is not locked while the last command was a block command, the buzzer warning(internal) sound is activated.
(5) ESCL ECU Fail Warning
This Indicator appears when the ESCL ECU failure is detected in the OFF state. the buzzer warning(internal) sound is activated.
(6) Engine Start Operation Indicator
This indicator appears when the system is in the [ACC] or [IGN] state.
(7) Authentication Failed Warning
The SSB is operated and no valid fob in interior. There are two patterns for situation; Pattern 1 is that the user presses the SSB to go to [ACC] state from [OFF]. And pattern 2 is that the user presses the SSB to start Engine in [OFF] or [ACC] or [IGN] states.
(8) FOB Key Removal Indicator
User turns all terminals off with fob key in holder. There are two patterns for situation; Pattern 1 is that the user turns all terminals off from [IGN] state with Fob key in holder. And pattern 2 is that the user turns all terminals off from [IGN - Engine] with Fob key in holder.

Door Lock Control
The Door Lock/Unlock function includes for On/Off control of the following devices:
- Door Lock by Driver and Assist Pwdw Lock switch
- Door Unlock by Driver and Assist Pwdw Unlock switch
- Door Lock/Unlock by Keyless
- Door Lock/Unlock by Passive Keyless Entry
- Door Lock/Unlock by Key
- Door Unlock by Crash or Key reminder
- Door Lock by Auto door Lock of user mode
- Door Lock by ReLock from IPM
- Door Unlock by Auto door Unlock of user mode





DDM - Door Lock Function





1. Crash Unlock
(1) If (Driver Door Unlock Relay = ON) occurred by (Crash Unlock = Unlock), it is driven for 5 seconds even though ignition switch from on to off.
(2) After the 1) condition, if (Crash Unlock = Unlock) is sent from IPM again or any Unlock state switch change to Lock from Unlock, then activate (Driver Door Unlock Relay = ON) for 5 seconds again.
(3) During Crash Unlock active mode, any other Lock or Unlock command ignore if not the reset condition (IGN SW DDM = OFF).
(4) Even though Battery voltage is out of operating area, it is activated.
2. Auto Door Lock
(1) You can select Auto Door Lock as following according to Market.
A. According to shift-lever / According to vehicle speed / OFF
(2) According to vehicle speed:
If IGN SW DDM is IGN or ST and Vehicle Speed is over 20km/h and any Unlock State is Unlock, DDM sets Auto door Lock ON immediately.
A. After 1sec from Auto Door Lock is occurred, retry Auto Door Lock up to 3 times if any Unlock State is Unlock.
B. Unlocked door after retry become "failed door".
C. Failed door is released by following.
IGN SW OFF -> ON
Unlock State = Lock
D. In Auto Door lock retry, The other lock function signals are ignored.
3. Auto Door Unlock
(1) You can select Auto Door Unlock as following according to Market.
A. According to shift-lever / According to Driver Unlock State / According to to Key Off / OFF
(2) According to Driver Unlock State :
If (All Door switch = CLOSE) is (Driver Unlock State = Lock -> Unlock), Auto door Unlock ON immediately.
(3) According to to Key Off :
A. Only "According to Key Off" operates after being operated by Auto Door Lock Function.
B. While motor output operate lock, if auto door lock signal is ON, auto door lock is ignored. Therefore this case does not operate Auto Door Unlock by "According to Key Off".
C. If there is change of unlock state(Lock -> Unlock), "According to key off" does not operate after being operated by auto door lock function.
4. Key reminder
(1) DRV Door Open Key reminder
(ADM is not connected) will be removed after time-out value of KeyReminder1 is reconfirmed.
A. This function is not activated over the 3km speed.
B. DRV Door Open Key reminder does operate and send Keyreminder1 signal from DDM to ADM as follow.
- If IGN SW DDM is Key In or ACC or IGN or ST, DRV DR SW is Open and DRV Unlock State turn to lock from Unlock.
- If IGN SW DDM is Key In or ACC or IGN or ST, DRV Unlock State is Lock and DRV DR SW turn to Open from Close.
- If DRV Unlock State is Lock, DRV DR SW is Open and IGN SW DDM turn to Key In or ACC or IGN or ST from Key Off.
C. Each modules (include DDM) activate Unlock output for 1 seconds.
After that, If one of them remains on lock state, Retry (Keyreminder2) operates during 3 times
D. The Locked door after retry become "failed door".
E. During DRV Door Open Key reminder operating, The other Unlock function signals are ignored.
(2) AST Door Open Key reminder
A. This function is not activated over the 3km speed.
B. AST Door Open Key reminder does operate and send Keyreminder1 signal from DDM to ADM as follow.
- If IGN SW DDM is Key In or ACC or IGN or ST, AST DR SW is Open and AST Unlock State turn to lock from Unlock.
- If IGN SW DDM is Key In or ACC or IGN or ST, AST Unlock State is Lock and AST DR SW turn to Open from Close.
- If AST Unlock State is Lock, AST DR SW is Open and IGN SW DDM turn to Key In or ACC or IGN or ST from Key Off.
C. Each modules (include DDM) activate Unlock output for 1 seconds.
After that, If one of them remains on lock state, Retry (Keyreminder2) operates during 3 times
D. The Locked door after retry become "failed door".
E. In AST Door Open Key reminder retry, The other Unlock function signals are ignored.
(3) DRV Door Close Key reminder
A. This function is not activated over the 3km speed.
B. In condition that (IGN SW DDM = Key In or ACC or IGN or ST) and (3km = OFF), DRV DR SW change from open to closed and within 0.5±0.1 second DRV Unlock State change from Unlock to lock, then Send Keyreminder1 signal only one time.
(4) AST Door Close Key reminder
A. This function is not activated over the 3km speed.
B. In condition that ( IGN SW DDM = Key In or ACC or IGN or ST) and (3km = OFF), AST DR SW from open to closed and within 0.5±0.1 second AST Unlock State change from Unlock to Lock, then Send Keyreminder1 signal only one time.
(5) PIC Key reminder
A. This function is not activated over the 3km speed.
B. If PIC Key reminder is operated (Passive Access Unlock = PIC key reminder), Send Keyreminder1 signal from DDM to ADM. Each modules (include DDM) activate Unlock output for 1 seconds.
After that, If one of them remains on lock state, Retry (Keyreminder2) operates during 3 times
C. In PIC Key reminder retry, The other Unlock function signals are ignored.

IPM Door Lock Function
If any one of Driver Door Unlock State or Assist Door Unlock State or Rear Left Door Unlock State or Rear Door Unlock State is changed from Unlock to Lock after IPM sends (Crash Unlock = Unlock), Crash Unlock is activated again until (IGN Switch ADM = Key Off).

ADM Door Lock Function
1. Crash Unlock
(1) If Assist Door Unlock Relay = ON is occurred by Crash Unlock = Unlock, it is driven for 5 seconds even though ignition switch from on to off.
(2) After the 1) Condition, if (Crash Unlock = Unlock) is again from IPM or any Unlock state switch change to Lock from Unlock, then activate (Assist Door Unlock Relay = ON) for 5 seconds again.
(3) During Crash Unlock active mode, any other Lock or Unlock command ignores if not the reset condition.
(4) Even though Battery voltage is out of operating area, it is activated.
(5) (IGN = OFF) & (Crash Unlock = Unlock) / Ignore.
(6) (Rear Left Door Unlock Relay = Unlock) and (Rear Right Door Unlock Relay = Unlock) is activated at the same time of Assist Door Unlock Relay.
2. RKE LOCK/UNLOCK output
(1) When RKE Lock/Unlock are received during IGN switch ADM = Key Off, ECS signal are sent as following from ADM.




(2) Assist Unlock State Output
The status of Assist Unlock State is sent as following after 1000ms from IGN SW OFF->ON.




(3) At competition
When IGN SW became off from on before the complete output by (2) and RKE request occurred at about the same time, ECS signal is treated as following.

NOTE:
The ECS signal is sent according to last request after delay time (100ms).





Trunk Lock Function
DDM sends CAN signal (Trunk Open switch) according to trunk open switch as follows.
1. If trunk open switch is changed from OFF to ON, DDM sends Trunk Open Switch with switch ON for holding time.
2. Trunk Open Switch will be sent with switch OFF automatically after above 1) even if trunk open switch is still ON.

Power Window Control
Power window function controls the followings.
- Driver power window
- Assist power window
- Rear Left power window
- Rear Right power window
- Rear Left side curtain
- Rear Right side curtain
- Power Window Inhibition : ADM, RLDM and RRDM are inhibited by Power window Lock Switch
Power window Switch on DDM can control remotely ADM, RLDM and RRDM via CAN or local communication.
Each power window SW on RLDM and RRDM can control remotely RRDM and RLDM via Local communication.





DDM Power Window Function
Outputs the following control signals to S-ECU according to local switch.
- Driver Power window Enable, Driver Power window Up, Driver Power window Down transmits the control signals (the status of ADM switch on DDM and Power window Inhibit) to ADM via CAN
Outputs the control signals (the status of RLDM and RRDM switch on DDM and RDM Enable DDM) to control the Motor of RLDM and RRDM.
1. Power window Enable/Disable Control
Power window function has Disable, Enable and 30s Timer states.
Each module is enabled / disabled according to the inhibition signal of DDM as following.






ADM Power Window Function
Power window lock switch indicator control
- According to switch operation, indicator of power window lock switch is turned on/off to avoid miss-operation by user as following.
Every time power window lock SW is pushed (OFF -> ON)





Outputs the following control signals to S-ECU
- Assist Power window Enable, Assist Power window Up, Assist Power window Down are controlled according to the remote switch from DDM via CAN, the status of local switch and IGN1 ADM.
Power window function is enabled/disabled by Power window Inhibit from DDM via CAN.
1. Power window Enable/Disable Control
ADM Power window function has Enable, Disable states.

RLDM Power Window Function
Outputs the following control signals to S-ECU.
- RL Power window Enable, RL Power window Up, RL Power window Down are controlled by remote request from DDM and RRDM via local communication and local SW.
Power window function is enabled/disabled by Power window Inhibit from DDM via local communication.
- Lamp are controlled by remote Signal from the Tail lamp Activity of DDM.
Outputs control signals of illumination and ashtray lamp according to Tail Lamp Activity. (RL Illumination, RL Ashtray LAMP)
- Power window Enable/Disable Control
RLDM Power window function has Enable, Disable states.

RRDM Power Window Function
Outputs the following control signals to S-ECU.
- RR Power window Enable, RR Power window Up, RR Power window Down are controlled by remote request from DDM and RLDM via local communication and local SW.
Power window function is enabled/disabled by Power window Inhibit from DDM via local communication.
- Lamp are controlled by remote Signal from the Tail lamp Activity of DDM.
Outputs control signals of illumination and ashtray lamp according to Tail lamp Activity. (RR Illumination, RR Ashtray LAMP)

RDM Side Curtain Control
According to power window Close condition and curtain position, Rear Side Curtain is operated as following
- Only the side curtain is operated where Power window is close.
- The Side curtain is always in down condition when Power window is open condition,
- The side curtain is controlled Remote Request of DDM and opposition RDM and Local Power window Input.
- Side Curtain is selected by variety.
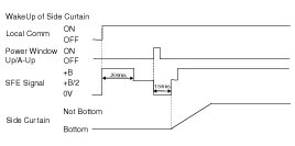
- If Side Curtain exists, Side Curtain operates when Wake Up signal transmits to SFE after 200ms.
1. Side Curtain Arbitration





- : ignored
ON*1 : Rear side curtain signal is ON for 100ms.(MANUAL DOWN or AUTODOWN)
ON*2 : Rear side curtain signal is ON for 150ms.(MANUAL UP or AUTO UP)
*3, *4 : If Curtain Position or Power window Position is not valid, Curtain SW is only OFF regardless of other condition.
(1) Basic SW input of Side Curtain




(2) Reverse SW input in Side Curtain output




(3) Same SW input during SFE Signal operation




(4) Same SW input after SFE Signal operation




(5) Three SW input of Side Curtain




(6) SW input during Side Curtain Operation




(7) Sleep/Wake Up Control
- Sleep status




- Wake Up status





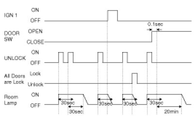
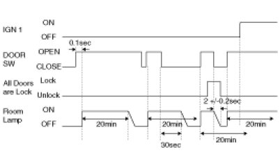
Decayed Room Lamp Control
The Decayed Room Lamps control the state of the Room Lamps by IPM.





IPM Room Lamp Control
Receive door Lock/Unlock state from each door module by CAN
1. Transitions from Room lamp OFF state



















2. Transitions from Room lamp ON for 30s state



















3. Transitions from Room lamp ON for 20min state




















Decayed Foot Lamp Control
The Decayed Foot Lamp controls the state of the Foot Lamp by IPM.
IPM receive door Lock/Unlock state from each door module by CAN




1. Transitions from Foot lamp OFF state



















2. Transitions from Foot lamp ON for 30s state



















3. Transitions from Foot lamp Decaying state