LEMON Manuals: Even more car manuals for everyone: 1960-2025
Home >> Hyundai >> 2012 >> Equus V8-5.0L >> Repair and Diagnosis >> Powertrain Management >> Computers and Control Systems >> Engine Control Module >> Diagrams >> Electrical Diagrams
April 5, 2026: LEMON Manuals is launched! Read the announcement.

Electrical Diagrams





ECM Terminal And Input / Output signal

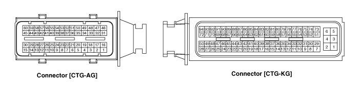
ECM Harness Connector




ECM Terminal Function
Connector [CTG-AG]









Connector [CTG-KG]













ECM Terminal Input/ Output signal
Connector [ CTG-AG ]













Connector [ CTG-KG ]


















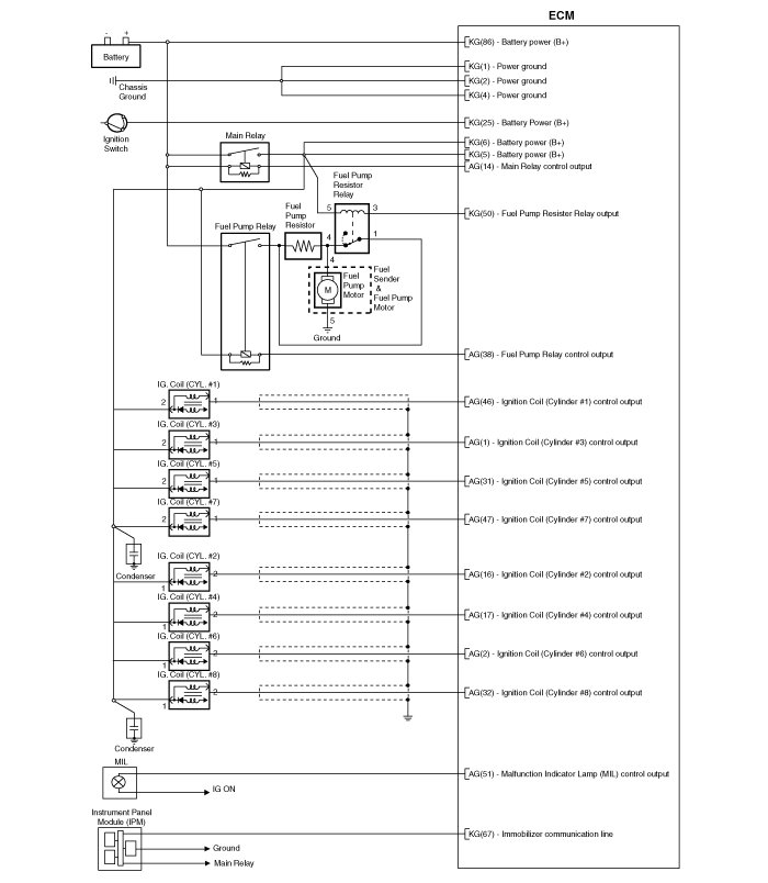
Circuit Diagram