LEMON Manuals: Even more car manuals for everyone: 1960-2025
Home >> Hyundai >> 2012 >> Genesis Coupe V6-3.8L >> Repair and Diagnosis >> Powertrain Management >> Computers and Control Systems >> Body Control Module >> Description and Operation >> Part 2 of 2
April 5, 2026: LEMON Manuals is launched! Read the announcement.

Part 2 of 2

Warning Control
1. WARNING CONTROL DATA FLOW





Seat Belt Reminder
1. From IGN1 OFF (Default state)










2. From IGN1 ON Driver belted















3. From IGN1 ON DRIVER UNBELTED















4. From PATTERN















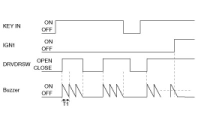
5. KEY OPERATED WARNING
(1) When Driver Door SW is ON at the status of KEY IN ON, Buzzer will be outputted per 0.6sec continuously.
(2) If KEY IN turns OFF or Driver Door SW is CLOSED during Buzzer output, the output will turn OFF.
(3) When IGN1 turns ON while outputting, the output will be stopped.




T1 : 0.6 ± 0.1sec
6. ESCL NOT LOCKED WARNING (SMK)
When receiving C_ESCL_Notlocked_Warning(CAN) ON, warning buzzer is on. And when releasing while putting a alarm into effect, it'll be canceled immediately.




7. ESCL NOT UNLOCKED WARNING (SMK)
When receiving C_ ESCL_Notunlocked_Warning ON signal, outputting a warning buzzer ON one times for 1 sec.




T1 : 1.0 ± 0.1 sec
8. ID OUT WARNING (SMK)
When receiving C_ID OUT_WNG(CAN) ON, outputting a alarm. When receiving OFF, warning buzzer is canceled immediately.




9. SSB SW WARNING (SMK)
When receiving C_SSB_Warning (CAN) ON, outputting a alarm, and when receiving OFF, a stop will do a alarm immediately.




T1 : 0.6 ± 0.1 sec

Defogger & Deicer Timer Control
1. DEFOGGER & DEICER CONTROL DATA FLOW




2. DEFOGGER TIMER
(1) If Defogger SW turns ON after Alt L is ON while IGN1 is ON, turn Defogger Relay output ON for 20min. (It is operated while ENGINE is RUNNING)
(2) If Defogger SW turns ON again while Defogger Relay output is ON, turn Defogger Relay output OFF.
(3) Also turn Defogger output OFF in case of Alt L OFF or IGN1 OFF while Defogger Relay output is ON.
(4) If Alt L is over 10 Volts ENGINE is RUNNING (Alt L ON) and if Alt L is less than 5 Volts ENGINE is STOPPED (Alt L OFF). Also, Alt L is between 5 and 10 Volts, keep the previous condition.
(5) Defogger Relay should not be outputted when turning Alt L ON while Defogger SW is pressed.




T1 : 20 ± 1min
3. FRONT DEICER TIMER
(1) Turn Deicer Relay output ON for 20min when turning Deicer SW ON after turning Alt L ON while IGN1 is ON (It is operated while ENGINE is RUNNING.)
(2) Turn Deicer Relay output OFF if Deicer SW turns ON again while Deicer Relay output is ON.
(3) Also Deicer Relay output OFF when turning ALT "L" or IGN1 OFF while Deicer Relay output is ON.
(4) If Alt L is over 10 Volts ENGINE is RUNNING (Alt L ON) and if Alt L is less than 5 Volts ENGINE is STOPPED (Alt L OFF). Also, Alt L is between 5 and 10 Volts, keep the previous condition.
(5) Deicer Relay should not be outputted when turning Alt L ON while Deicer SW is pressed.




T1 : 20 ± 1min
4. POWER WINDOW TIMER




(1) Turn safety power window ECU output ON when turning L_IGN2 ON.
(2) Turn safety power window ECU output OFF after keeping safety power window ECU output for 30sec when IGN2 is OFF.
(3) Turn safety power window ECU OFF immediately when opening Driver Door SW or Passenger Door SW within the condition (2) above.
(4) Turn safety power window ECU output OFF when IGN2 is OFF while Driver Door SW or Passenger Door SW is open.




T1 : 30 ± 3sec

Door Lock/unlock Control
1. DOOR LOCK/UNLOCK CONTROL DATA FLOW




2. DOOR LOCK/UNLOCK RELAY CONTROL
(1) 2-Turn unlock









3. CENTRAL DOOR LOCK/UNLOCK
(1) If Driver Door Key Lock SW or Passenger Door Key Lock SW turns ON, turn Door Lock Relay output ON during T1. But prohibit the output when KEY IN ON *2) and IGN1 are ON.
(2) When Driver Door Key Unlock and Passenger Door Key Unlock turn ON, turn Door Unlock Relay and Driver Door Unlock Relay output ON during T1.
(3) Turn CENTRAL LOCK *3) ON during T1 when receiving TX LOCK signal.
But ignore LOCK input when Driver Door SW or Passenger Door SW is ON.
(4) Turn CENTRAL UNLOCK *4)ON during T1 when receiving TX UNLOCK signal.
(5) Turn Door Lock Relay output ON during T1 when Power window Door Lock SW turns ON.
(6) Turn CENTRAL UNLOCK output ON during T1 when Power window Door Unlock SW turns ON. But prohibit the operation by Power window Door Unlock SW at the condition of ARM, ARMWAIT, REARM and ALARM.
(7) LOCK/UNLOCK by SAFETY KNOB is not interlock (Mechanical operation).
(8) Malfunction should be free when joining BATTERY (Also malfunction should be free at the location of Key In SW ON).
(9) Input which is less than 60msec should not be received (KEY LOCK/UNLOCK SW).
(10) Do not execute the output of DOOR LOCK (UNLOCK) by KNOB change.
*2) KEY IN ON : Key In ON
*3) CENTRAL LOCK : Refer to control mode for each Spec.
*4) CENTRAL LOCK : Refer to control mode for each Spec.




T1 : 0.5 ± 0.1sec
4. IGN KEY REMINDER
(1) This function will not be operated if the speed of cars exceed 3km/h.
(2) Perform Door Unlock Relay output for 1s after 0.5s when the condition becomes to be KEY IN ON, Driver Door SW is OPENED and Driver Door Unlock SW is LOCKED.
(3) Perform ALL Door Unlock Relay output for 1s in 0.5s when the condition becomes to be KEY IN ON, Passenger Door SW is OPENED and Passenger Door Unlock SW is LOCKED.
(4) Output ALL DOOR UNLOCK for 1s in 0.5s based on (3) if (2) and (3) are satisfied.
(5) Output UNLOCK up to 3 times (excluding output for 1s) if LOCK condition is maintained though UNLOCK output is performed for 1s by (2), (3)(cycle for 1s: 0.5s ON/OFF).
(6) Try UNLOCK once when DOOR is CLOSED while keeping LOCK condition after performing (5).
(7) Output Door Unlock Relay once for 1s when Driver Door SW is closed within 0.5s since Driver Door Unlock SW is changed from UNLOCK to LOCK during KEY IN ON.
(8) Output ALL DOOR UNLOCK once only for 1s when Passenger Door SW is closed within 0.5s since Passenger Door Unlock SW is changed from UNLOCK to LOCK during KEY IN ON.
(9) Output ALL Door Unlock Relay once only for 1s if Driver Door Unlock SW becomes LOCK from UNLOCK within 0.5s since Driver Door SW is changed from OPEN to CLOSE during KEY IN ON.
(10) Perform the function of KEY REMINDER when turning Power window Door Lock SW ON after opening Driver Door SW or Passenger Door SW during KEY IN ON.
(11) Judge if RETRY output is performed or not at the point of the beginning of RETRY output(in 1.5s from the initial UNLOCK output).
(12) Output UNLOCK though the condition is not kept for 0.5sec after realizing that of UNLOCK. But, do not output UNLOCK in case that KEY IN is OFF at the point of 0.5s passed after realizing the condition by the change of UNLOCK -> LOCK in Driver Door Unlock SW or Passenger Door Unlock SW.




T1, T3 : 0.5 ± 0.1sec, T2 : 1 ± 0.1sec,
T4 : 0.5sec Max
** KEY IN ON : Key In ON or IGN1 ON or IGN2 ON
KEY IN OFF : Key In OFF and IGN1 OFF and IGN2 OFF
5. CRASH DOOR UNLOCK
(1) Always perform CENTRAL UNLOCK *9) output whenever Crash Input signal is inputted while IGN1 is ON.
(2) Keep CENTRAL UNLOCK output for the time left though IGN1 turns OFF from ON while outputting CENTRAL UNLOCK.
(3) Do not output CENTRAL UNLOCK if IGN1 SW turns ON from OFF after Crash Input signal is already inputted.
(4) Output CENTRAL UNLOCK during T3 if Driver Door Unlock SW or Passenger Door Unlock SW or Rear Right Door Unlock SW or Rear Left Door Unlock SW turns to LOCK from UNLOCK after outputting CENTRAL UNLOCK.
(5) Do not perform AUTO DOOR LOCK function at the condition of CRASH UNLOCK.
(6) CRASH DOOR UNLOCK function has priority to LOCK/UNLOCK control by other functions.
(7) Ignore the request for LOCK/UNLOCK by other functions while or after outputting CRASH DOOR UNLOCK. But, control LOCK/UNLOCK by other functions if IGN1 SW becomes OFF.




T1 : 40 msec, T2 : 5 ± 0.5 sec
6. AUTO DOOR LOCK
(1) AUTO DOOR LOCK is classified into non-activation/20km activation/40km activation. And follow the table below for the basic value and selected value of the regional operation SPEC.





(2) On condition of IGN1 SW ON, output all door lock within T1 when keeping more than setting speed in (1). But, do not output LOCK if all DOORS are LOCKED or FAIL at first.
(3) Perform outputting LOCK up to 3 times (cycle for 1s) if either of DOORS is UNLOCKED after outputting LOCK in (2). But, ignore the DOOR that has changed to LOCK condition from UNLOCK during the output 3 times.
(4) Regard the respective DOOR FAILED if it is UNLOCKED after outputting 3 times.
(5) Output LOCK once only if the DOOR is UNLOCKED after the failed DOOR changes(UNLOCK->LOCK).
(6) Output LOCK once only if DOOR which was LOCKED after outputting LOCK in (2) becomes to be UNLOCKED.
But, output LOCK once for the respective DOOR although it keeps UNLOCK after LOCK output.
(7) Clear the FAILED DOOR when L_IGN1 SW is OFF.
(8) Do not perform AUTO DOOR LOCK function on condition of CRASH UNLOCK.




T1 : Max 1.5sec, T2 : 0.5 ± 0.1sec
*1 ON (UNLOCK) : Driver DR Unlock SW|Passenger DR Unlock SW UNLOCK
OFF (LOCK) : Driver DR Unlock SW|Passenger DR Unlock SW LOCK
7. AUTO DOOR UNLOCK
(1) AUTO DOOR UNLOCK is classified into non-activation and activation and activated for domestic ones only but not activated for others.
(2) If any door is locked, output all door unlock when turning KEY IN OFF after KEY IN is ON.
[(But, if all door is UNLOCK, it will not output.) AUTO DOOR UNLOCK should operate regardless outputing auto door lock.) ]




T1 : 0.5 ± 0.1sec
*1 ON (UNLOCK) : Driver DR Unlock SW|Passenger DR Unlock SW UNLOCK
OFF (LOCK) : Driver DR Unlock SW|Passenger DR Unlock SW LOCK
*2 KEY IN ON : Key In ON (SMK : Fob in ON) or IGN1 ON or IGN2 ON
KEY IN OFF : Key In OFF (SMK : Fob in OFF) and IGN1 OFF and IGN2 OFF

Trunk Release Control
1. TRUNK RELEASE RELAY CONTROL DATA FLOW




RKECMD : TX LOCK, TX UNLOCK, TRUNK REOPEN UNLOCK