LEMON Manuals: Even more car manuals for everyone: 1960-2025
Home >> Hyundai >> 2012 >> Santa Fe AWD L4-2.4L >> Repair and Diagnosis >> Relays and Modules >> Relays and Modules - Brakes and Traction Control >> Electronic Brake Control Module >> Service and Repair >> Repair Procedures
April 5, 2026: LEMON Manuals is launched! Read the announcement.

Repair Procedures





Removal

1. Remove the air cleaner assembly.
2. Remove the ECM.
3. Disconnect the brake tube from the HECU by unlocking the nuts counterclockwise with a spanner.

Tightening torque
: 18.6 - 22.6 Nm (1.9 - 2.3 kgf-m, 13.7 - 16.6 Ib-ft)

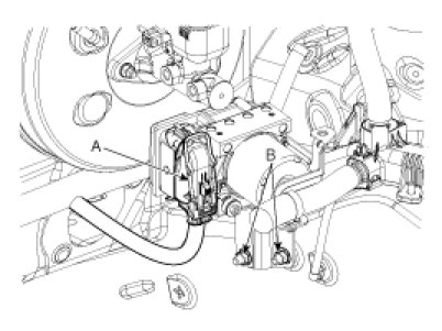
4. Disconnect the connector(A) from the HECU.




5. Remove the two HECU brake mounting bolts(B) , and then disassemble the HECU with the bracket.

CAUTION:
1. Never attempt to disassemble the HECU.
2. The HECU must be protected during storage and transport, and must not be subjected to excessive shock.

6. Remove the two HECU mounting bolts and then remove the bracket.

Installation

1. Installation is the reverse of removal.
2. Tighten the HECU mounting bolts and brake tube nuts to the specified torque.

Tightening torque
HECU mounting nut :
8 - 10 Nm (0.8 - 1.0 kgf-m, 5.8 - 7.2 Ib-ft)
HECU bracket mounting bolt:
17 - 26 Nm (1.7 - 2.6 kgf-m, 12.3 - 18.8 Ib-ft)