LEMON Manuals: Even more car manuals for everyone: 1960-2025
Home >> Hyundai >> 2012 >> Sonata GLS, Standard Trans >> Repair and Diagnosis >> Engine Performance >> Engine Control Systems >> Engine Control System - 2.4L (Except HEV) >> Engine Control Module (ECM) >> Schematic Diagrams >> Circuit Diagram
April 5, 2026: LEMON Manuals is launched! Read the announcement.

Circuit Diagram

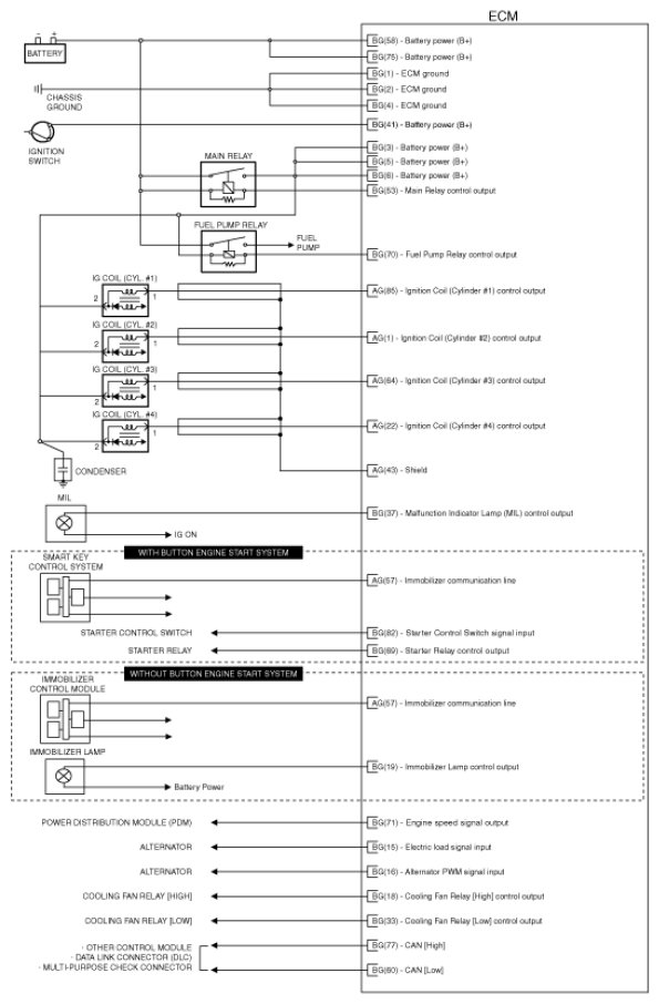
Fig 1: ECM Circuit Diagram (1 Of 4)
G07366038Courtesy of HYUNDAI MOTOR CO.
Fig 2: ECM Circuit Diagram (2 Of 4)
G07366039Courtesy of HYUNDAI MOTOR CO.
Fig 3: ECM Circuit Diagram (3 Of 4)
G07366040Courtesy of HYUNDAI MOTOR CO.
Fig 4: ECM Circuit Diagram (4 Of 4)
G07366041Courtesy of HYUNDAI MOTOR CO.