LEMON Manuals: Even more car manuals for everyone: 1960-2025
Home >> Hyundai >> 2012 >> Sonata L4-2.4L >> Repair and Diagnosis >> Diagrams >> Electrical Diagrams >> Starting System >> Keyless Starting System >> Keyless Start Control Module >> Smart Key Unit
April 5, 2026: LEMON Manuals is launched! Read the announcement.

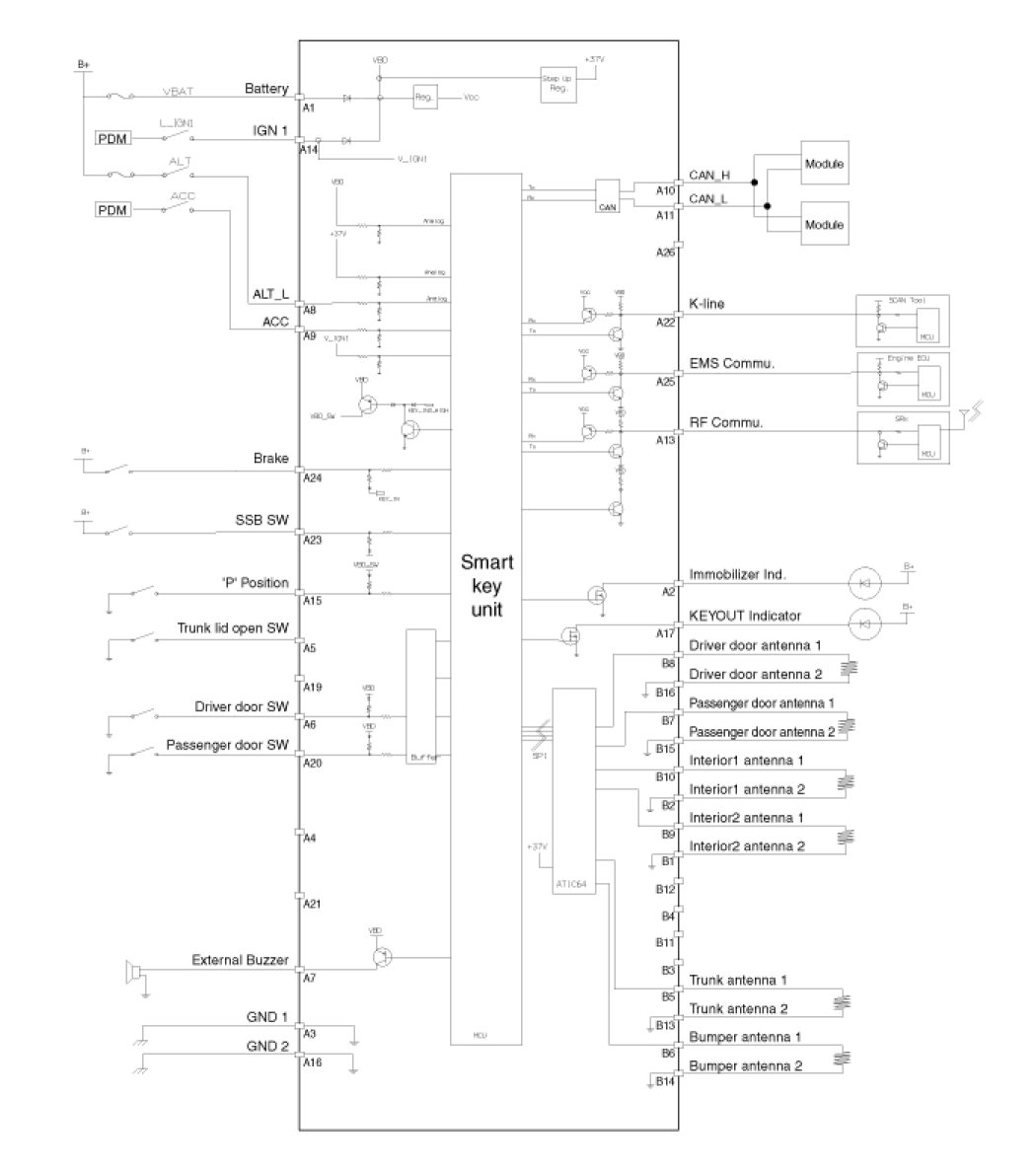
Smart Key Unit





Circuit Diagram