LEMON Manuals: Even more car manuals for everyone: 1960-2025
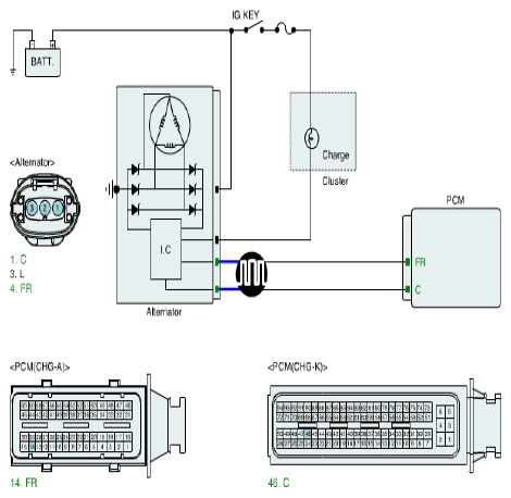
Home >> Hyundai >> 2012 >> Tucson GL, Automatic Trans >> Repair and Diagnosis >> Engine Performance >> System >> Engine Control System Diagnosis (2 Of 3) >> DTC P0620: Alternator Control Circuit >> Inspection/Repair >> Component Inspection
April 5, 2026: LEMON Manuals is launched! Read the announcement.

Component Inspection