LEMON Manuals: Even more car manuals for everyone: 1960-2025
Home >> Hyundai >> 2012 >> Veloster L4-1.6L >> Repair and Diagnosis >> Powertrain Management >> Computers and Control Systems >> Relays and Modules - Computers and Control Systems >> Engine Control Module >> Diagrams >> Electrical Diagrams
April 5, 2026: LEMON Manuals is launched! Read the announcement.

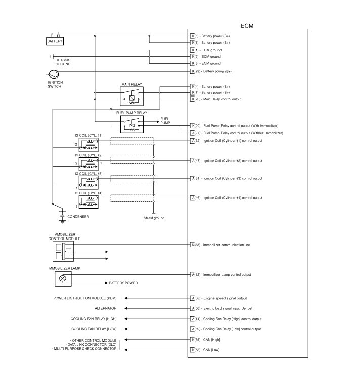
Electrical Diagrams





Harness Connector




ECM Terminal Function
Connector [EGGM-A]









Connector [EGGM-K]













ECM Terminal Input/Output Signal
Connector [EGGM-A]













Connector [EGGM-K]














Circuit Diagram