LEMON Manuals: Even more car manuals for everyone: 1960-2025
Home >> Hyundai >> 2012 >> Veracruz AWD V6-3.8L >> Repair and Diagnosis >> Powertrain Management >> Computers and Control Systems >> Relays and Modules - Computers and Control Systems >> Body Control Module >> Description and Operation >> BCM (Body Control Module) >> Part 2
April 5, 2026: LEMON Manuals is launched! Read the announcement.

Part 2





15. KEY LEARNING INTERNAL SOUND
Key Learning sound :
Frequency: 800 Hz
Sound period: 600msec
Sound duration: 600msec

When each Key's learning is ended, magnetic buzzer is operated, every one time.




16. KEY OPERATED WARNING
(1) KEY OPERATED WARNING SOUND
Frequency : 800 Hz
Sound period : T2 = 0.6sec
Sound duration : infinite
(2) KEY OPERATED WARNING ALGORITHM
A. (While IGN KEY is inserted into the KEY CYLINDER (*) Or ACC is ON) & (IGN1 = IGN2 = ALT'L = OFF) if DRIVER SIDE DOOR is opened. KEY OPERATED WARN'G starts.
(*) if non SMK, or SMK option : KEY IN = TRUE
B. (If the KEY is pulled out from key cylinder & ACC = OFF)
Or IGN2 = ON
Or IGN1 = ON
Or ALT'L = ON
or if DRIVER SIDE DOOR is closed, then the key operated warning stops immediately.
C. DURATION: Permanent (The KEY OPERATED WARNING continues permanently if the condition has not changed)





NOTE:
- The same definition is used for SMK and non SMK option.
- The activation and deactivation must be made in the states. When an event with a higher priority interrupts the key reminder and when this event finishes, the key reminder must be reactivated.

17. SMART KEY SYSTEM WARNINGS (SMART KEY OPTION ONLY)
(1) SMK(Smart Key) system warning sounds
In case of MAGNETIC BUZZER :
Frequency: 800 Hz
Sound period: T2 = 0.25 s
Number of period : 1
TON : 3 secs
TOFF : 0 secs
The frequency is fixed at 2khz.
(2) 2 warning sounds are necessary for the SMK system in the following cases :

When receiving the "ID out warning" command from SMK ECU via CAN (meaning that ID is found outside the vehicle), the warning sound (MAGNETIC BUZZER and External BUZZER) starts.
MAGNETIC BUZZER Sound duration : T1 = 5 s
18. PARKING BRAKE BUZZER WARNING
(1) PARKING BRAKE WARNING SOUND
Frequency : 800 Hz
Sound period : T2 = 0.6sec
Sound duration : infinite
(2) Operation
A. In state of IGN1 ON, this warning sound is start when vehicle speed is over 10Km/h and PARK BRAKE switch is ON.
B. This activity is stop if :
- IGN1 OFF.
- Vehicle speed is under 10kmh (with filtering as same method with CAN bit 20Kmh)
- PARK BRAKE switch is OFF




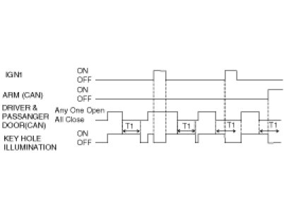
19. IGN KEY HOLE ILLUMINATION
(1) FUNCTION Description
Turn On Condition





30 sec Illumination Condition





Illumination stops condition









T1 : 30 ± 1sec.
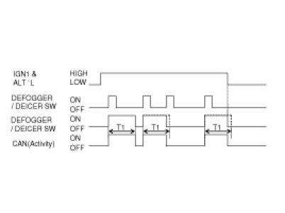
20. DEFOGGER AND DEICER TIMER
(1) FUNCTION Description
Condition 1





Condition 2





Condition 3





Condition 4





If alternator input is changed to low or IGN1 input is changed to Off, Defogger output and DEICER output should be turned OFF immediately.




T1 : 20min ± 1min

NOTE:
The delay between DEFOGGER SWITCH INPUT and DEFOGGER OUTPUT: Less than 100msec., Outside mirror DOOR MODULE via CAN controls heated function. It is the same for DEICER SWITCH input and DEICER output.
DEICER and DEFOGGER output is turned on independently by DEICER SWITCH input and DEFOGGER SWITCH input.

21. DECAYED ROOM LAMP
(1) Transitions from Room lamp OFF state:
Condition 1





Condition 2





Condition 3









(2) Transitions from Room lamp ON for 30s state:
Condition 1





Condition 2





Condition 3









(3) Transitions from Room lamp ON for 20min state:
Condition 1





Condition 2





Condition 3









(4) Transitions from Room lamp Decaying state:
Condition 1





Condition 2





Condition 3





Condition 4









(5) Transitions from Room lamp ON state:
Condition 1





Condition 2





Condition 3









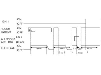
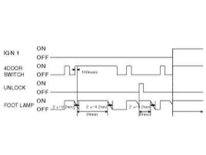
22. DECAYED FOOT LAMP
(1) Transitions from Foot lamp OFF state:
Condition 1





Condition 2





Condition 3









(2) Transitions from Foot lamp ON for 30s state:
Condition 1





Condition 2





Condition 3





Condition 4









(3) Transitions from Foot lamp ON for 20min state:
Condition 1





Condition 2





Condition 3









(4) Transitions from Foot lamp Decaying state:
Condition 1





Condition 2





Condition 3





Condition 4









(5) Transitions from Foot lamp ON state:
Condition 1





Condition 2





Condition 3










NOTE:
- Following as INHIBIT P Logic value, BCM sends the INH P state via CAN.
- Foot lamp's brightness can be changed by diagnostic values.

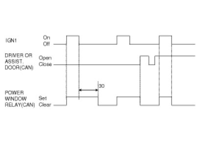
23. POWER WINDOW TIMER





(1) FUNCTION Description
A. POWER WINDOW RELAY CAN signal is switched ON(1) when IGN1 SWITCH On.
B. When IGN1 SWITCH is turned Off, the POWER WINDOW RELAY CAN signal remains On for 30sec and then is turned OFF(0).
C. During the operation(2), if driver or assistant side door is opened, the POWER WINDOW RELAY CAN signal is turned OFF(0) immediately.