Electrical Circuit Inspection Procedure
- Check Open Circuit
- Procedures for Open Circuit
- Continuity Check
- Voltage Check
If an open circuit occurs (as seen in Fig 1), it can be found by performing Step 2 (Continuity Check Method) or Step 3 (Voltage Check Method) as shown below.
- Continuity Check MethodNOTE: When measuring for resistance, lightly shake the wire harness above and below or side to side.
Specification (Resistance)
1 Ω or less → Normal Circuit
1 MΩ or Higher → Open Circuit
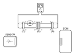
- Disconnect connectors (A), (C) and measure resistance between connector (A) and (C) as shown in Fig 2.
In Fig 2, the measured resistance of line 1 and 2 is higher than 1 MΩ and below 1 Ω respectively. Specifically the open circuit is line 1 (Line 2 is normal). To find exact break point, check sub line of line 1 as described in next step.
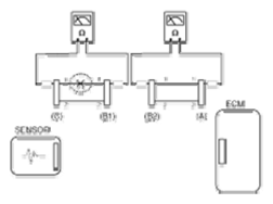
- Disconnect connector (B), and measure for resistance between connector (C) and (B1) and between (B2) and (A) as shown in Fig 3.
In this case the measured resistance between connector (C) and (B1) is higher than 1 MΩ and the open circuit is between terminal 1 of connector (C) and terminal 1 of connector (B1).
- Disconnect connectors (A), (C) and measure resistance between connector (A) and (C) as shown in Fig 2.
- Voltage Check Method
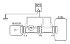
- With each connector still connected, measure the voltage between the chassis ground and terminal 1 of each connectors (A), (B) and (C) as shown in Fig 4.
The measured voltage of each connector is 5 V, 5 V and 0 V respectively. So the open circuit is between connector (C) and (B).
- With each connector still connected, measure the voltage between the chassis ground and terminal 1 of each connectors (A), (B) and (C) as shown in Fig 4.
- Procedures for Open Circuit
■ Check Short Circuit
- Test Method for Short to Ground Circuit
- Continuity Check with Chassis Ground
If short to ground circuit occurs as shown in Fig 5, the broken point can be found by performing Step 2 (Continuity Check Method with Chassis Ground) as shown below.
- Continuity Check Method (with Chassis Ground)NOTE: Lightly shake the wire harness above and below, or from side to side when measuring the resistance.
Specification (Resistance)
1 Ω or less → Short to Ground Circuit
1 MΩ or Higher → Normal Circuit
- Disconnect connectors (A), (C) and measure for resistance between connector (A) and Chassis Ground as shown in Fig 6.
The measured resistance of line 1 and 2 in this example is below 1 Ω and higher than 1 MΩ respectively. Specifically the short to ground circuit is line 1 (Line 2 is normal). To find exact broken point, check the sub line of line 1 as described in the following step.
- Disconnect connector (B), and measure the resistance between connector (A) and chassis ground, and between (B1) and chassis ground as shown in Fig 7.
The measured resistance between connector (B1) and chassis ground is 1 Ω or less. The short to ground circuit is between terminal 1 of connector (C) and terminal 1 of connector (B1).
- Disconnect connectors (A), (C) and measure for resistance between connector (A) and Chassis Ground as shown in Fig 6.