LEMON Manuals: Even more car manuals for everyone: 1960-2025
Home >> Hyundai >> 2013 >> Accent GLS, Automatic Trans >> Repair and Diagnosis >> Engine Performance >> System >> Engine Control System Diagnosis (2 Of 2) >> DTC P0463: Fuel Level Sensor 'A' Circuit High Input >> General Information >> Diagnostic Circuit Diagram
April 5, 2026: LEMON Manuals is launched! Read the announcement.

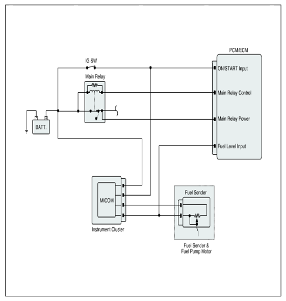
Diagnostic Circuit Diagram

Fig 1: Fuel Level Sender - Circuit Diagram
G08802551Courtesy of HYUNDAI MOTOR AMERICA
Fig 2: Identifying Fuel Level Sender, Instrument Cluster, PCM And ECM Connector Terminals
G08802552Courtesy of HYUNDAI MOTOR AMERICA