LEMON Manuals: Even more car manuals for everyone: 1960-2025
Home >> Hyundai >> 2013 >> Accent L4-1.6L >> Repair and Diagnosis >> Powertrain Management >> Relays and Modules - Powertrain Management >> Relays and Modules - Computers and Control Systems >> Body Control Module >> Diagrams
April 5, 2026: LEMON Manuals is launched! Read the announcement.

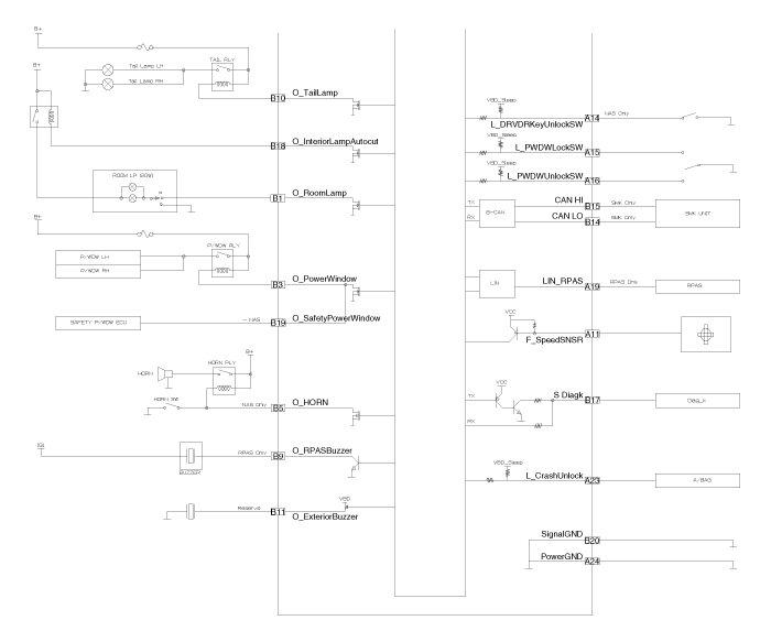
Body Control Module: Diagrams





Circuit Diagram










BCM connectors