LEMON Manuals: Even more car manuals for everyone: 1960-2025
Home >> Hyundai >> 2013 >> Accent L4-1.6L >> Repair and Diagnosis >> Transmission and Drivetrain >> Automatic Transmission/Transaxle >> Control Module >> Diagrams
April 5, 2026: LEMON Manuals is launched! Read the announcement.

Control Module: Diagrams





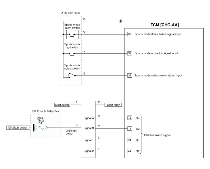
1. TCM Connector and Terminal Function





2. TCM Terminal Function

Connector [CHG-AA]










TCM Terminal Input/ Output Signal

Connector [CHG-AA]










Circuit Diagram