LEMON Manuals: Even more car manuals for everyone: 1960-2025
Home >> Hyundai >> 2013 >> Accent SE, Automatic Trans >> Repair and Diagnosis >> Engine Performance >> System >> Engine Control System Diagnosis (1 Of 2) >> DTC P0111: Intake Air Temperature Sensor 1 Circuit Range/Performance >> Component Inspection
April 5, 2026: LEMON Manuals is launched! Read the announcement.

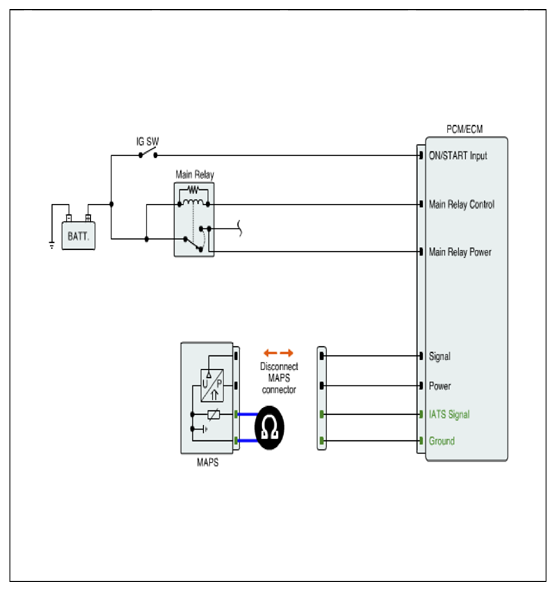
Component Inspection