LEMON Manuals: Even more car manuals for everyone: 1960-2025
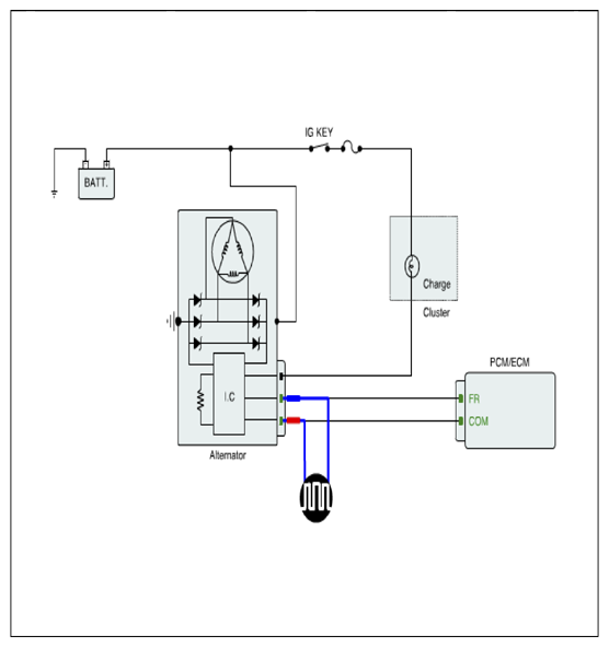
Home >> Hyundai >> 2013 >> Accent SE, Automatic Trans >> Repair and Diagnosis >> Engine Performance >> System >> Engine Control System Diagnosis (2 Of 2) >> DTC P0625: Generator Field/F Terminal Circuit Low >> Component Inspection
April 5, 2026: LEMON Manuals is launched! Read the announcement.

Component Inspection