Ground Circuit Inspection
- Check open in harness
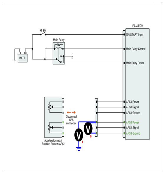
- IG "OFF" and disconnect APS connector.
- Measure voltage between APS2 power terminal of APS harness connector and chassis ground. (Measurement "A")
- Measure voltage between APS2 power and APS2 ground terminals of APS harness connector. (Measurement "B")
Specification: Voltage difference between measurement "A" and "B" is below 200mV.
Courtesy of HYUNDAI MOTOR AMERICA
- Is the measured voltage within specification?
YES
- Go to "COMPONENT INSPECTION " procedure.
NO
- Repair contact resistance or open in harness and go to "VERIFICATION OF VEHICLE REPAIR " procedure.