LEMON Manuals: Even more car manuals for everyone: 1960-2025
Home >> Hyundai >> 2013 >> Azera V6-3.3L >> Repair and Diagnosis >> Transmission and Drivetrain >> Automatic Transmission/Transaxle >> Control Module >> Diagrams
April 5, 2026: LEMON Manuals is launched! Read the announcement.

Control Module: Diagrams





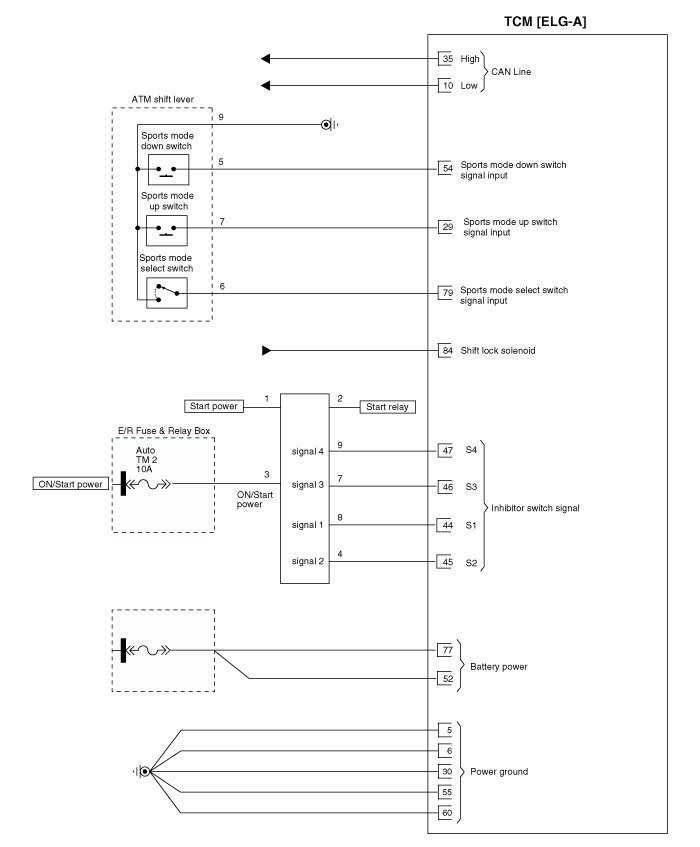
TCM connector and terminal function





TCM Terminal Function

Connector [ELG-A]









Connector [CLG-B]










TCM Terminal input/ output signal

Connector[ELG-A]





Connector [CLG-B]






Circuit Diagram