LEMON Manuals: Even more car manuals for everyone: 1960-2025
Home >> Hyundai >> 2013 >> Azera V6-3.3L >> Repair and Diagnosis >> Windows and Glass >> Windows >> Power Window Switch >> Diagrams
April 5, 2026: LEMON Manuals is launched! Read the announcement.

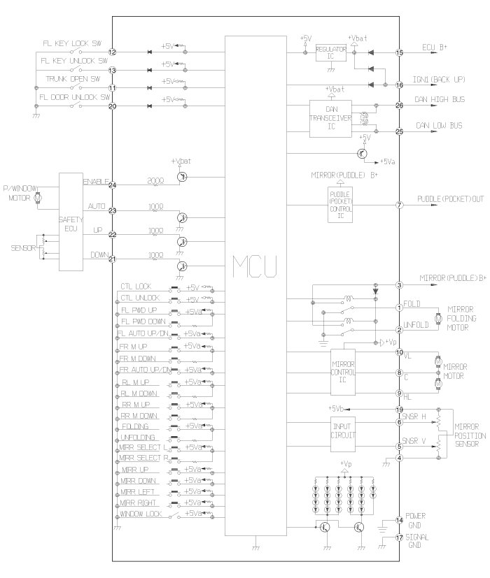
Power Window Switch: Diagrams





Circuit Diagram

Driver Power Window Switch (1)





Driver Power Window Switch (2)





Passenger Power Window Switch





Rear Power Window Switch