LEMON Manuals: Even more car manuals for everyone: 1960-2025
Home >> Hyundai >> 2013 >> Elantra GT L4-1.8L >> Repair and Diagnosis >> Diagrams >> Electrical Diagrams >> Keyless Starting System >> Keyless Start Control Module
April 5, 2026: LEMON Manuals is launched! Read the announcement.

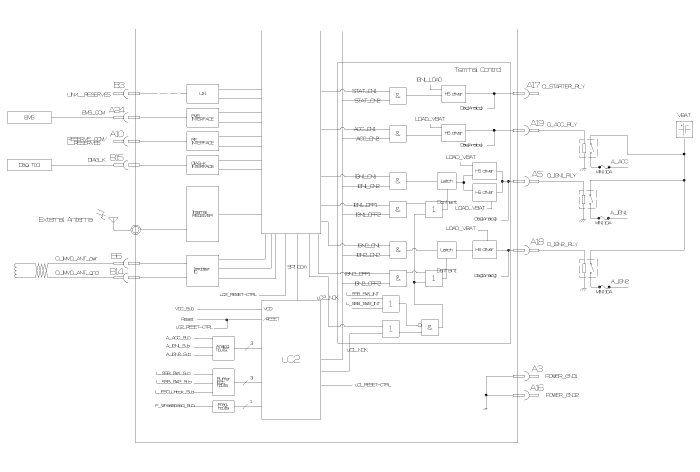
Keyless Start Control Module





Circuit Diagram