LEMON Manuals: Even more car manuals for everyone: 1960-2025
Home >> Hyundai >> 2013 >> Equus Ultimate >> Repair and Diagnosis (Single Page) >> Engine Performance >> Engine Control Systems >> Engine Control System - 5.0L >> Engine Control Module (ECM) >> Schematic Diagrams >> Circuit Diagram
April 5, 2026: LEMON Manuals is launched! Read the announcement.

Circuit Diagram

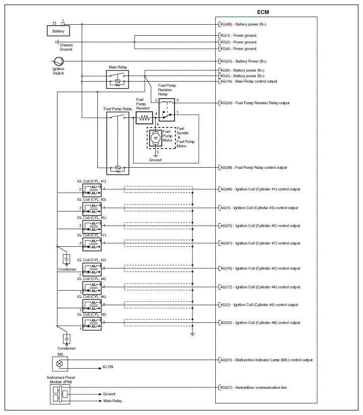
Fig 1: ECM - Circuit Diagram (1 Of 5)
G08830188Courtesy of HYUNDAI MOTOR AMERICA
Fig 2: ECM - Circuit Diagram (2 Of 5)
G08830189Courtesy of HYUNDAI MOTOR AMERICA
Fig 3: ECM - Circuit Diagram (3 Of 5)
G08830190Courtesy of HYUNDAI MOTOR AMERICA
Fig 4: ECM - Circuit Diagram (4 Of 5)
G08830191Courtesy of HYUNDAI MOTOR AMERICA
Fig 5: ECM - Circuit Diagram (5 Of 5)
G08830192Courtesy of HYUNDAI MOTOR AMERICA