LEMON Manuals: Even more car manuals for everyone: 1960-2025
Home >> Hyundai >> 2013 >> Equus V8-5.0L >> Repair and Diagnosis >> Cruise Control >> Cruise Control Switch >> Diagrams >> Smart Cruise Control Switch
April 5, 2026: LEMON Manuals is launched! Read the announcement.

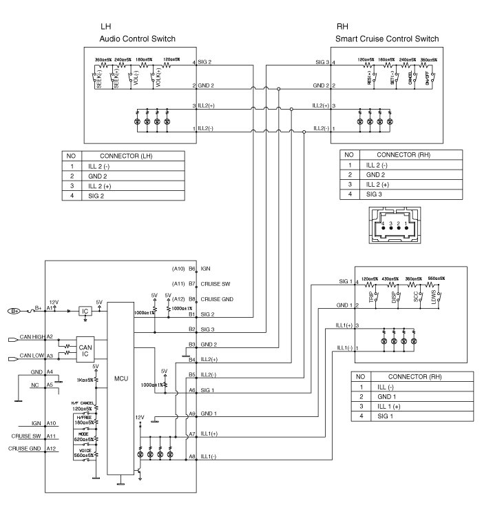
Smart Cruise Control Switch





Circuit Diagram