LEMON Manuals: Even more car manuals for everyone: 1960-2025
Home >> Hyundai >> 2013 >> Santa Fe AWD L4-2.0L Turbo >> Repair and Diagnosis >> Powertrain Management >> Computers and Control Systems >> Relays and Modules - Computers and Control Systems >> Engine Control Module >> Diagrams
April 5, 2026: LEMON Manuals is launched! Read the announcement.

Engine Control Module: Diagrams





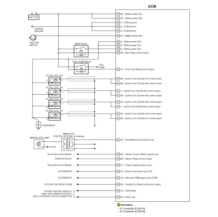
ECM Terminal And Input/Output signal

ECM Harness Connector




ECM Terminal Function
Connector [C200-A]













Connector [C200-B]













ECM Terminal Input/ Output signal
Connector [C200-A]













Connector [C200-B]






















Circuit Diagram