LEMON Manuals: Even more car manuals for everyone: 1960-2025
Home >> Hyundai >> 2013 >> Santa Fe AWD L4-2.0L Turbo >> Repair and Diagnosis >> Powertrain Management >> Transmission Control Systems >> Relays and Modules - Transmission and Drivetrain >> Relays and Modules - A/T >> Control Module >> Diagrams
April 5, 2026: LEMON Manuals is launched! Read the announcement.

Control Module: Diagrams





1. TCM connector and terminal function





2. TCM terminal function

Connector [A]










3. TCM Terminal Input/ Output Signal

Connector [A]


















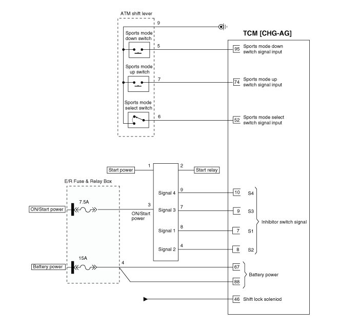
Circuit Diagram