LEMON Manuals: Even more car manuals for everyone: 1960-2025
Home >> Hyundai >> 2013 >> Santa Fe AWD L4-2.4L >> Repair and Diagnosis >> Cruise Control >> Cruise Control Switch >> Diagrams
April 5, 2026: LEMON Manuals is launched! Read the announcement.

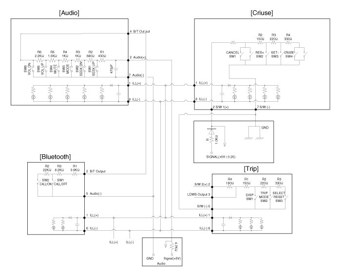
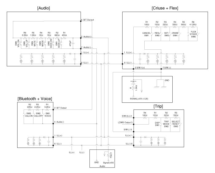
Cruise Control Switch: Diagrams





Circuit Diagram