LEMON Manuals: Even more car manuals for everyone: 1960-2025
Home >> Hyundai >> 2013 >> Santa Fe Sport 2.0T, AWD >> Repair and Diagnosis >> Transmission >> Transmission Control Systems >> Automatic Transaxle Control System - 2.0L >> Transaxle Control Module (TCM) >> Schematic Diagram >> Circuit Diagram
April 5, 2026: LEMON Manuals is launched! Read the announcement.

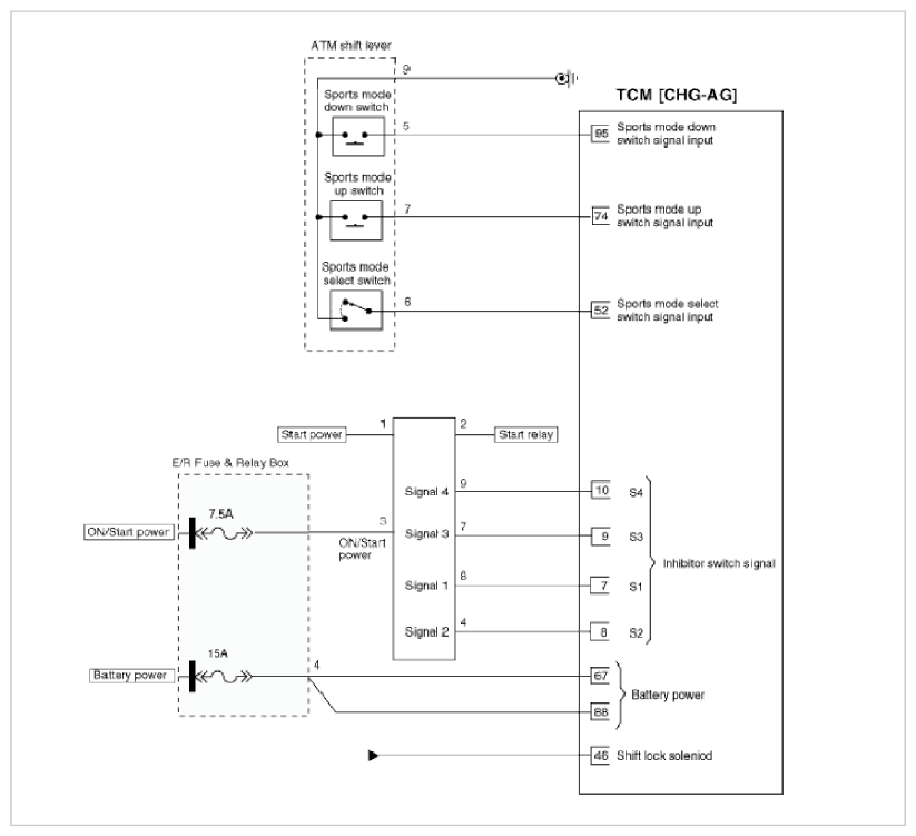
Circuit Diagram

Fig 1: TCM - Circuit Diagram
G09365217Courtesy of HYUNDAI MOTOR AMERICA
Fig 2: ATM Solenoid Valve And TCM - Circuit Diagram
G09365218Courtesy of HYUNDAI MOTOR AMERICA