LEMON Manuals: Even more car manuals for everyone: 1960-2025
Home >> Hyundai >> 2013 >> Tucson FWD L4-2.4L >> Repair and Diagnosis >> Powertrain Management >> Relays and Modules - Powertrain Management >> Relays and Modules - Computers and Control Systems >> Body Control Module >> Description and Operation >> Part 2
April 5, 2026: LEMON Manuals is launched! Read the announcement.

Part 2





Door Lock/Unlock Control
1. Data flow




2. Central Door Lock/unlock
(1) If Driver Door Key Lock Switch or Passenger Door Key Lock Switch turns ON, turn Door Lock Relay output ON during T1. But prohibit the output when KEY IN ON and IGN1 are ON.
(2) When Driver Door Key Unlock and Passenger Door Key Unlock turn ON, turn Door Unlock Relay and Driver Door Unlock Relay output ON during T1.
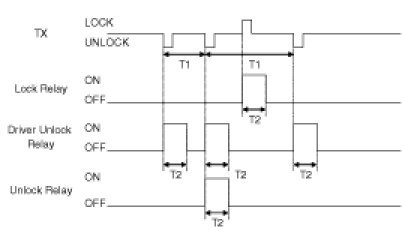
(3) Turn CENTRAL LOCK *1) ON during T1 when receiving TX LOCK signal.
But ignore LOCK input when Driver Door SW or Passenger Door SW is ON.
(4) Turn CENTRAL UNLOCK *2) ON during T1 when receiving TX UNLOCK signal.
(5) LOCK/UNLOCK by SAFETY KNOB is not interlock (Mechanical operation).
(6) Malfunction should be free when joining BATTERY (Also malfunction should be free at the location of Key In Switch ON).
(7) Input which is less than 60msec should not be received (KEY LOCK/UNLOCK Switch).
(8) Do not execute the output of DOOR LOCK (UNLOCK) by KNOB change.
(9) If Power Window Lock Switch is ON, turn Lock Relay output ON for T1. (NORTH AMERICA)
(10) If Power window Lock Switch is ON, turn CENTRAL UNLOCK output ON for T1. (NORTH AMERICA) But, inhibit operating by Power window Unlock Switch at Lock state by TX.
*1) CENTRAL LOCK : Refer to control mode for each Spec.
*2) CENTRAL LOCK : Refer to control mode for each Spec.




T1 : 0.5 ± 0.1sec
3. 2-Turn Unlock
(1) If Driver Door Key Unlock Switch turns OFF from ON within T1 after Driver Door Key Unlock Switch turns ON from OFF(Driver Door Unlock Switch becomes UNLOCKED mechanically and does not output BCM.), turn Driver Unlock Relay, Unlock Relay(Central Unlock) output ON during T2.
(2) If TX UNLOCK is received within T1 after Driver Door Key Unlock Switch turns ON from OFF (Driver Door Unlock Switch becomes UNLOCKED mechanically and does not output BCM.), turn Driver Unlock Relay and Unlock Relay(Central Unlock) output ON during T2.
(3) Turn Driver Unlock Relay output ON during T2 when receiving TX UNLOCK signal. However, turn Driver Unlock Relay, Unlock Relay (Central Unlock) output during T2 if TX UNLOCK is received within T1.
(4) Also, turn Driver Unlock Relay, Unlock Relay (Central Unlock) ON during T2 in case that Driver Door Key Unlock Switch turns ON from OFF within T1 after receiving TX UNLOCK.
(5) Regard as the same TX even though different signal which is registered within T1 is received.
(6) If turn Lock Relay output ON by TX Lock or Driver/Assist Key lock Switch, T1 is initialized.
(7) Assist Key Unlock Switch turns ON from OFF, turn Driver Unlock Relay and Unlock Relay (Central Unlock) output ON during T2.








T1 : 4 ± 1sec, T2 : 0.5 ± 0.1sec
4. 2-Turn Unlock (SMK)
(1) All DOOR UNLOCK output are ON during T2 if Driver door unlock switch is unlock within 3s and Driver door key unlock switch is OFF->ON within T1 after Driver door key unlock switch is OFF->ON (mechanically, Driver door unlock switch is unlocked and BCM signal is not output).
(2) All DOOR UNLOCK output are ON during T2 if Driver door unlock switch is UNLOCK within 3s and SMK/RKE command= UNLOCK is received within T1 after Driver door key unlock switch is OFF -> ON (mechanically, Driver door unlock switch is unlocked and BCM signal is not output).
(3) DRIVER DOOR UNLOCK signal is output for T2 when SMK/RKE command=UNLOCK signal is received. But, ALL DOOR UNLOCK signals are output for T2 if SMK/RKE command=UNLOCK signal is received within T1.
(4) All DOOR UNLOCK output are ON during T2 if Driver door key unlock switch is OFF->ON (mechanically, Driver door unlock switch is unlocked and BCM signal is not output) within T1 and Driver door unlock switch is UNLOCK within 3s after SMK/RKE command = UNLOCK received.
(5) DRIVER DOOR UNLOCK output is ON during T2 when Passive unlock ON & P_FL ON is input. But, ALL DOOR UNLOCK output are ON during T2 if Passive unlock ON & P_FL ON is input within T1.
(6) DRIVER DOOR UNLOCK output is ON during T2 when Passive unlock ON & P_FL ON is input. But, ALL DOOR UNLOCK output are ON during T2 if Driver door key unlock switch is OFF -> ON within T1.
(7) DRIVER DOOR UNLOCK output is ON during T2 when Passive unlock ON & P_FL ON is input. But, ALL DOOR UNLOCK output are ON during T2 if SMK/RKE command = UNLOCK is received within T1.
(8) Driver door unlock switch UNLOCK state of the output from the DRIVER DOOR UNLOCK does not require.
(9) ALL DOOR UNLOCK output will be according to DRIVER DOOR UNLOCK output when the DRIVER DOOR UNLOCK output of the ALL DOOR UNLOCK output requirements.
5. IGN Key Reminder
(1) This function will not be operated if the speed of cars exceeds 3km/h.
(2) Perform Unlock Relay output for 1s after 0.5s when the condition becomes to be KEY IN = ON& Driver Door open Switch = OPEN & Driver Door Unlock Switch = LOCK(Regions for North America).
(3) Perform Driver Unlock Relay output for 1s after 0.5s when the condition becomes to be KEY IN = ON & Driver Door open Switch = OPEN & Driver Door Unlock Switch = LOCK.(Spec for North America ONLY)
(4) Perform Unlock Relay output for 1s in 0.5s when the condition becomes to be KEY IN = ON & Assist Door Open Switch =OPEN & Assist Door Unlock Switch = LOCK.
(5) Output CENTRAL UNLOCK for 1s in 0.5s based on (4) if (1), (3) and (4) are satisfied.
(6) Output UNLOCK up to 3 times(excluding output for 1s) if LOCK condition is maintained though UNLOCK output is performed for 1s by (2), (3), (4)(cycle for 1s: 0.5s ON/OFF).
(7) Try UNLOCK once when DOOR is CLOSED while keeping LOCK condition after performing (6).
(8) Output Driver Unlock Relay once only for 1s when Driver Door open Switch is closed within 0.5s since Driver Door Unlock Switch is changed from UNLOCK to LOCK during KEY IN = ON(North America SPEC ONLY).
(9) Output CENTRAL UNLOCK once only for 1s when Assist Door Open Switch is closed within 0.5s since Assist Door Unlock Switch is changed from UNLOCK to LOCK during KEY IN = ON.
(10) Output Driver Unlock Relay for 1s when Driver Door Unlock Switch becomes LOCK from UNLOCK within 0.5s since Driver Door open Switch is changed from OPEN to CLOSE during KEY IN = ON(North America SPEC ONLY)
(11) Output CENTRAL UNLOCK once only for 1s if Assist Door Unlock Switch becomes to be LOCK from UNLOCK within 0.5s since Assist Door Open Switch is changed from OPEN to CLOSE during KEY IN = ON.
(12) Judge if RETRY output is performed or not at the point of the beginning of RETRY output(in 1.5s from the initial UNLOCK output).
(13) Output UNLOCK though the condition is not kept for 0.5sec after realizing that of UNLOCK. But, do not output UNLOCK in case that KEY IN is OFF at the point of 0.5s passed after realizing the condition by the change of UNLOCK -> LOCK in Driver Door Unlock Switch or Assist Door Unlock Switch.




T1, T3 : 0.5 ± 0.1sec, T2 : 1 ± 0.1sec,
T4 : 0.5sec Max
** KEY IN ON : Key In ON or IGN1 ON or IGN2 ON
KEY IN OFF : Key In OFF and IGN1 OFF and IGN2 OFF
6. Crash Door Unlock
(1) Always perform CENTRAL UNLOCK *9) output whenever Crash Input signal is inputted while IGN1 is ON.
(2) Keep CENTRAL UNLOCK output for the time left though IGN1 turns OFF from ON while outputting CENTRAL UNLOCK.
(3) Do not output CENTRAL UNLOCK if IGN1 switch turns ON from OFF after Crash Input signal is already inputted.
(4) Output CENTRAL UNLOCK during T3 if Driver Door Unlock switch or Passenger Door Unlock switch or Rear Right Door Unlock switch or Rear Left Door Unlock switch turns to LOCK from UNLOCK after outputting CENTRAL UNLOCK.
(5) Do not perform AUTO DOOR LOCK function at the condition of CRASH UNLOCK.
(6) CRASH DOOR UNLOCK function has priority to LOCK/UNLOCK control by other functions.
(7) Ignore the request for LOCK/UNLOCK by other functions while or after outputting CRASH DOOR UNLOCK. But, control LOCK/UNLOCK by other functions if IGN1 switch becomes OFF.




T1 : 5 sec
* IGN KEY_ON : ON = KEY IN or FOB IN or ACC ON or IGN1 ON or IGN2 ON
OFF = KEY OUT or FOB OUT or ACC OFF or IGN1 OFF or IGN2 OFF
7. Auto Door Lock (User Option)
(1) AUTO DOOR LOCK is classified into non-activation/ 15km activation/ shift lever change by using SCAN TOOL.
(2) On condition of IGN1 switch ON, turn Door Lock Relay output ON within T1 when keeping more than setting speed in (1). But, do not output LOCK if all DOORS are LOCKED or FAIL at first.
(3) Perform outputting LOCK up to 3 times (cycle for 1s) if either of DOORS is UNLOCKED after outputting LOCK in (2). But, ignore the DOOR that has changed to LOCK condition from UNLOCK during the output 3 times.
(4) Regard the respective DOOR FAILED if it is UNLOCKED after outputting 3 times.
(5) Output LOCK once only if the DOOR is UNLOCKED after the failed DOOR changes(UNLOCK->LOCK).
(6) Output LOCK once only if DOOR which was LOCKED after outputting LOCK in (2) becomes to be UNLOCKED.
But, output LOCK once for the respective DOOR although it keeps UNLOCK after LOCK output.
(7) Clear the FAILED DOOR when IGN1 switch is OFF.
(8) Do not perform AUTO DOOR LOCK function on condition of CRASH UNLOCK.




T1 : Max 1.5sec, T2 : 0.5 ± 0.1sec
*1 ON (UNLOCK) : Driver DR Unlock switch|Passenger DR Unlock switch|Rear Right DR Unlock switch|Rear Left DR Unlock switch UNLOCK
OFF (LOCK) : Driver DR Unlock switch|Passenger DR Unlock switch|Rear Right DR Unlock switch|Rear Left DR Unlock switch LOCK
8. Auto Door Unlock (User Option)
(1) AUTO DOOR UNLOCK is classified into non-activation / Key Off / Driver safety knob state / shift lever change by using SCAN TOOL.
(2) If it is set up to be activated, turn DR Unlock Relay ON when turning KEY IN OFF after KEY IN is ON. (But, if all conditions for KNOB are UNLOCK, it will not output.)
(3) AUTO DOOR UNLOCK should operate after outputting AUTO DOOR LOCK (UNLOCK OUTPUT will not occur though the key is removed later if LOCK OUTPUT did not occur because all KNOBS are already LOCKED even though it reached to the operating speed of AUTO DOOR LOCK.)




T1 : 0.5 ± 0.1sec
*1 ON (UNLOCK) : Driver DR Unlock switch|Passenger DR Unlock switch|Rear Right DR Unlock switch|Rear Left DR Unlock switch UNLOCK
OFF (LOCK) : Driver DR Unlock switch|Passenger DR Unlock switch|Rear Right DR Unlock switch|Rear Left DR Unlock switch LOCK
*2 KEY IN ON : Key In ON or IGN1 ON or IGN2 ON
KEY IN OFF : Key In OFF and IGN1 OFF and IGN2 OFF

Tailgate Release Control
1. Data flow




2. Tailgate Release Control
(1) Turn Trunk Release Relay ON during T1 when TX TRUNK or SMK(RKE TRUNK, TRUNK REOPEN) is ON.
(2) If ALL DOOR UNLOCK and TRUNK LID is OFF -> ON, Trunk Release Relay is ON during T1.(SMK option)




T1 : 0.5 ± 0.1sec

Key Interlock Control
1. Data flow




2. Key Interlock Control
(1) Key solenoid to the output of the ON KEY to make the subject does not fall. (if IGN1=ON or ACC=ON subject to the key Interlock switch input is OFF)
(2) In addition to the above conditions, the KEY OFF key solenoid output to fall out, to make conditions.

Exterior Lamp Control
1. Tail Lamp function




(1) General Function Condition
A. In BATTERY ON and Tail Lamp is off state, if user turns on the Tail lamp switch (Tail SW=ON), Tail Lamps are turned on.
(2) Tail Auto Cut Function Condition
A. The "Tail Auto Cut" strategy ensures that Tail lamps are turned off even if a driver forgets to turn them off.
B. When the Tail lamp is turned on by Tail lamp switch, after key insertion , and if a user removes key and opens the driver side door, the Tail lamps are automatically turned off.
C. While "Tail Auto Cut" function is active, if a user turns off the Tail lamp switch or inserts key, "Tail Auto Cut" function will be deactivated and Tail lamps can be turned on.
D. "Tail Auto Cut" state is memorized in ECU, so even if battery reset, this state is not erased.
E. During the activation of Escort function, no Tail Auto Cut mode is possible and it is only after escort function.
(3) CAN signal Tail Activity Condition
A. When tail lamp output condition is met, Tail Lamp activity CAN data is also turned on.
B. When tail lamp output condition is not met, Tail Lamp activity CAN data is also turned off.
(4) Internal signal Tail Activity Condition
A. When tail lamp output is on, internal signal Tail Lamp activity is also turned on.
B. When tail lamp output is off, internal signal Tail Lamp activity is also turned off.




2. Head Lamp function




(1) Head Lamp Low Control
A. In IGN terminal State(IGN=ON), if turn on the Head lamp low switch=ON, Head lamp low outputs are turned on.
B. When Tail lamp Off and headlamp Off conditions are satisfied at the same time, Head lamp low and Tail lamp turned off simultaneous immediately.
(2) Head Lamp High Control
A. In IGN terminal state(IGN=ON) and Head lamp low switch On, if turn on the Head lamp high switch=ON, Head lamp high outputs are turned on.
(3) Passing Control
A. In IGN terminal State(IGN=ON), If Head lamp passing switch Input is detected then Head lamp high output are turned on and Head lamp low output=On at the same time.
(4) Canada DRL
A. If alternator level is high(ALT L=On), BCM activates Canada DRL functionality and turns on the Head lamp high (CANADA DRL=On).
B. Deactivation if:
- Head lamp low On request by Head lamp switch or auto light head lamp Low control or
- Head high On request by passing switch or
- Parking brake switch On




3. Escort function
(1) After user generates the call of head lamp low light(Head Lamp Low SW On=ON), if switch off ignition (IGN=Off and START=Off), and then keep Head lamp low output On (Head Lamp Low ON=ON) state during 20min.
(2) And after open and close driver side door(DRVDRSW=ON->Off), user will have consequently lighting of head lamp low(Head Lamp Low ON=ON) during only 30sec.
(3) During active "Escort Function", if receive Lock request 2 times (2LOCK=2) or cancel the lighting request of head lamp low (Head Lamp Low SW=Off & Auto Light SW=Off), this function is released.
(4) While escort function is activated, Tail lamp is keeping the turn on state and does not go to Autocut and after finish escort state and user removes key, it can go Autocut mode.
(5) While the "Escort Function" is activated by 'Head Lamp Low Switch', if change from 'Head Lamp Low Switch' to 'Lamp Auto Switch', "Escort Function" is deactivated, because Lamp Auto mode is 'Lamp Off' condition.
(6) While the "Escort Function" is activated by 'Lamp Auto Switch', if change from 'Lamp Auto Switch' to 'Head Lamp Low Switch', "Escort Function" is keeping the activation state, because of 'Head Lamp On' condition.
(7) After IGN terminal off 20 minute timers is started, but as soon as door is opened and closed then 30sec timer is engaged.




4. Auto light control




5. AV Tail output control
(1) In ACC, IGN, START terminal states, monitoring of the auto light sensor supply's range (Auto Light Pwr) is performed and a failure is raises up (Auto Light failure) when the supply's voltage is out of range (outside of range [4V:6V]).
If Auto Light failure occurs and as long as this error is present, the tail lamp and head lamp low must be turned on regardless of the sunlight level provided by the sensor.
When physical Auto light sensor failure occurs the Lamps are turned on, because a zero voltage level is provided by the sensor when internal failure is present.
This is designed to prevent any head lamp cut off when the failure occurs during the night.
AV Tail Output Control is started In ACC, IGN, START regardless of MFSW Auto Light switch.
CAN signal AV_Tail is set/reset at the same time as AV Tail.
6. Front fog lamp control




(1) In case of (IGN2=ON) & (Head Lamp Low=ON) & (Head Lamp High=Off), if Front fog lamp switch input is detected (Front Fog SW=On), Front fog lamp output (Front Fog ON=On) is turned ON.
(2) If fails to activate front fog lamp output, indicator (Front Fog IND) is also turn off.





Hazard & Turn Signal Lamp Control
1. Hazard lamp & ESS control




(1) To provide an audible feedback to the driver when flasher is active, a Flasher Sound Relay is controlled.
(2) While Flasher Lamp is operated, at the time of Output On/Off transition, the Flasher Sound Relay is activated.
(3) Flasher Sound Relay is controlled by the BCM.
2. Turn signal and hazard control




(1) Turn Left/ Right Signal Flashing Function
A. If the Left (or Right) turn switch is active and if IGN2 is On, the left (or Right) turn signal outputs are driven.
B. The turn signal is active as long as both conditions ((Turn Sig LH SW or Turn Sig RH SW=On) and IGN2=On) are true and is turned Off when one of these conditions is no longer detected.
C. If a failure is detected (Bulb/LED) outage or open load on the activated turn signal side, the flasher frequency is doubled.
D. This failure can be detected when IGN1 and IGN2 On (IGN1=On and IGN2=On).
E. While Turn switch is On and failure was detected, even if bulb (or LED) failure is no longer detected, keep the double blinking flashing and after next Turn switch On transition, only then, flasher is activated with normal blinking.




(2) Lane Change Turn Left/ Right Signal Control Function
A. Flasher lane-change feature means that a momentary activation of the turn switch will cause 3 flashes on the indicator circuit.
B. This lane-change feature operates under the following conditions:
- Lane change mode enabled
- Ignition 2 shall be On, the lane change feature is not available if Ignition 2 is Off.
- The "bulb-fail" mode is not working and the flashing frequency is always Normal Blinking in Lane Change mode (85±10period/min).
- During the Lane Change mode operation, if the user moves the turn switch in the other direction, then Lane change mode is finished and the other direction's flashing (Normal or Lane change flashing) will start depending on the switch detection time.