LEMON Manuals: Even more car manuals for everyone: 1960-2025
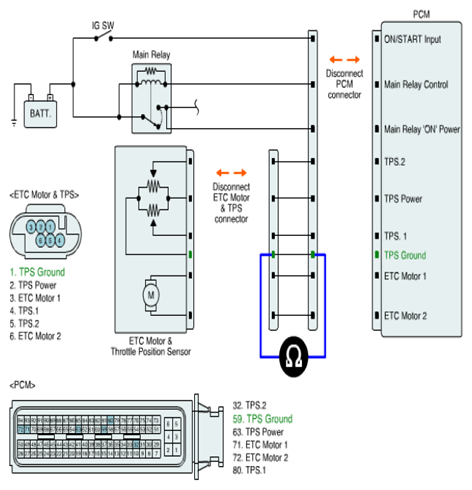
Home >> Hyundai >> 2013 >> Tucson GL, Automatic Trans >> Repair and Diagnosis >> Engine Performance >> System >> Engine Control System Diagnosis (1 Of 3) >> DTC P0223: Throttle/Pedal Position Sensor/Switch 'B' Circuit High Input >> Inspection Repair >> W/Harness Inspection >> Ground Circuit Inspection
April 5, 2026: LEMON Manuals is launched! Read the announcement.

Ground Circuit Inspection