Control Circuit Inspection
- Check for Short to Ground in Closing Control Circuit
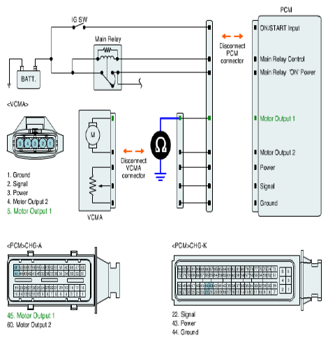
- IG KEY OFF.
- Disconnect PCM and VCMA harness connector.
- Measure resistance between closing control terminal of VCMA harness connector and chassis ground.
Specification: Infinite
- Is resistance within specification?
YES
- Go to next procedure.
NO
- Repair as necessary and go to VERIFICATION OF VEHICLE REPAIR .
- Check for Open in Opening Control Circuit
- IG KEY OFF.
- Disconnect VCMA harness connector and PCM harness connector.
- Measure resistance between both ends of opening control line.
Specification: Approx. 0 Ω
- Is resistance within specification?
YES
- Go to next procedure.
NO
- Repair as necessary and go to VERIFICATION OF VEHICLE REPAIR .