Component Inspection
- Check VIS
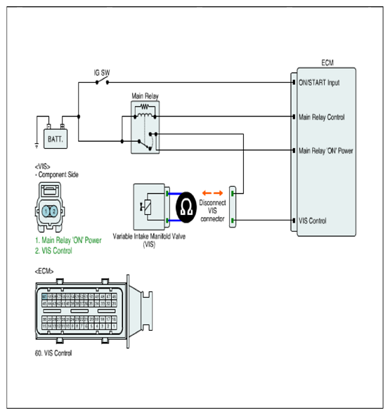
- IG "OFF" and disconnect VIS connector.
- Measure resistance between power and control terminals of VIS connector. (Component side)
Specification: 30 ~ 35 Ω (22°C/71.6°F)
- Is the measured resistance within specification?
YES
- Substitute with a known - good ECM and check for proper operation. If the problem is corrected, replace ECM and go to "VERIFICATION OF VEHICLE REPAIR " procedure.
NO
- Substitute with a known - good VIS and check for proper operation. If the problem is corrected, replace VIS and go to "VERIFICATION OF VEHICLE REPAIR " procedure.