LEMON Manuals: Even more car manuals for everyone: 1960-2025
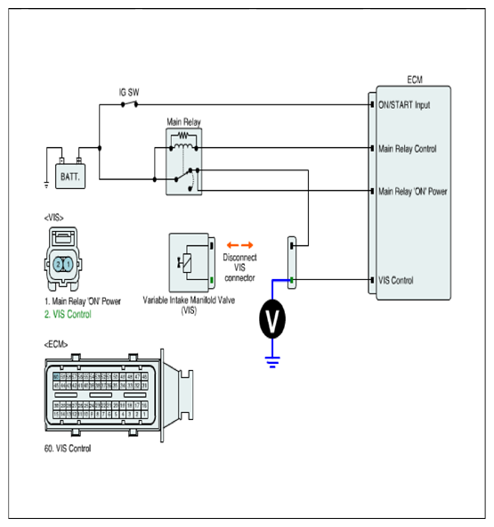
Home >> Hyundai >> 2013 >> Veloster Base, Standard Trans >> Repair and Diagnosis (Single Page) >> Engine Performance >> System >> Engine Control System Diagnosis (2 Of 2) - Non-Turbo >> DTC P0660: Intake Manifold Tuning Valve Control Circuit Open (Bank 1) >> W/Harness Inspection >> Inspection/Repair >> Control Circuit Inspection
April 5, 2026: LEMON Manuals is launched! Read the announcement.

Control Circuit Inspection