Component Inspection
- ECM check
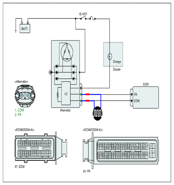
- IG "OFF".
- Select "vehicle scopemeter" in the menu, and connect channel A of GDS with FR terminal of Alternator harness connector.
- Connect Channel B of GDS with C terminal of Alternator harness connector.
- Engine start. And check the signal waveforms. (Compare the signal waveform of electrical loads ON with OFF)
Specification: Refer to SIGNAL WAVEFORM & DATA
- Is the measured signal waveforms of Alternator normal?
YES
Go to " 2 Alternator check" procedure.
NO
Substitute with a known - good ECM and check for proper operation. If the problem is corrected, replace ECM and go to "VERIFICATION OF VEHICLE REPAIR " procedure.
- Alternator check
- IG KEY "OFF".
- Check the tension of alternator belt.
- Check corrosion, damage or looseness of Battery terminal and Alternator terminal.
- Engine start.
- Operate electrical parts (Head lamp, Defogger, etc).
- Measure the voltage at 2000rpm.
Specification: Refer to SIGNAL WAVEFORM & DATA
- Is the measured voltage within specification?
YES
Many malfunctions in the electrical system are caused by poor harness (es) and terminals. Faults can also be caused by interference from other electrical systems, and mechanical or chemical damage. So, check poor connections and the related circuit between ECM and component thoroughly. Repair as necessary and go to "VERIFICATION OF VEHICLE REPAIR " procedure.
NO
Substitute with a known - good Alternator and check for proper operation. If the problem is corrected, replace Alternator and go to "VERIFICATION OF VEHICLE REPAIR " procedure.