LEMON Manuals: Even more car manuals for everyone: 1960-2025
Home >> Hyundai >> 2013 >> Veloster L4-1.6L Turbo >> Repair and Diagnosis >> Relays and Modules >> Relays and Modules - Powertrain Management >> Relays and Modules - Computers and Control Systems >> Engine Control Module >> Diagrams
April 5, 2026: LEMON Manuals is launched! Read the announcement.

Engine Control Module: Diagrams





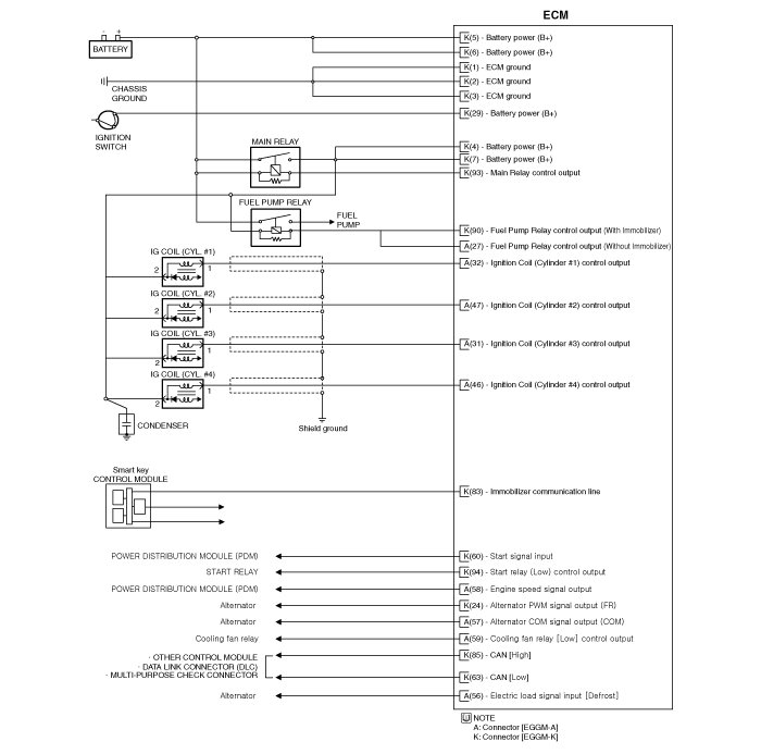
ECM Terminal And Input/Output signal [M/T]




ECM Terminal Function (M/T)
Connector [EGGM-A]









Connector [EGGM-K]













ECM Terminal Input/Output Signal (M/T)
Connector [EGGM-AG]









Connector [EGGM-K]














ECM Terminal And Input/Output signal [A/T]




ECM Terminal Function (A/T)
Connector [EGGA-A]













Connector [EGGA-K]













ECM Terminal Input/Output Signal (A/T)
Connector [EGGA-A]













Connector [EGGA-K]














Circuit Diagram

(M/T)
















(A/T)