LEMON Manuals: Even more car manuals for everyone: 1960-2025
Home >> Hyundai >> 2013 >> Veloster L4-1.6L >> Repair and Diagnosis >> Starting and Charging >> Starting System >> Keyless Starting System >> Diagrams
April 5, 2026: LEMON Manuals is launched! Read the announcement.

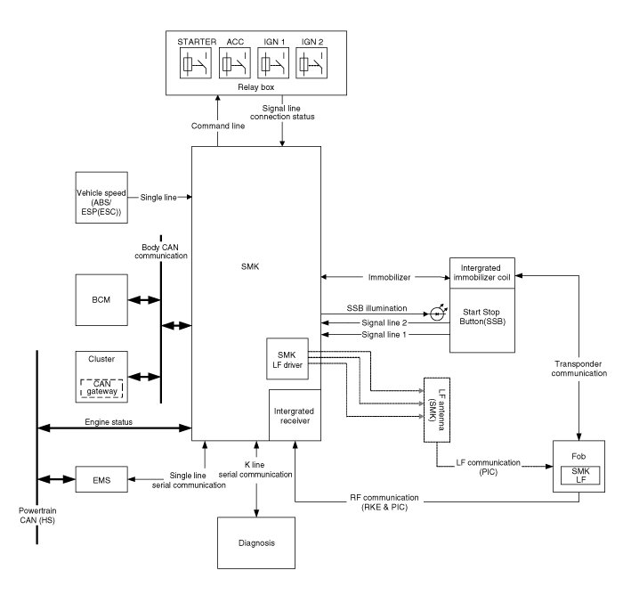
Keyless Starting System: Diagrams





Circuit Diagram (1)





Circuit Diagram (2)