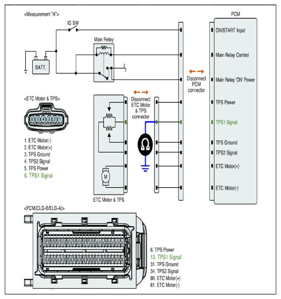
Signal Circuit Inspection
- Check short to ground in harness
- IG "OFF" and disconnect ETC Motor & TPS connector and PCM connector.
- Measure resistance between TPS1 signal terminal of ETC Motor & TPS harness connector and chassis ground. (Measurement "A")
- Measure resistance between TPS1 signal and TPS ground terminals of ETC Motor & TPS harness connector. (Measurement "B")
Specification: Infinite
Courtesy of HYUNDAI MOTOR AMERICA
- Is the measured resistance within specification?
YES
- Go to "COMPONENT INSPECTION " procedure.
NO
- Repair short to ground in harness and go to "VERIFICATION OF VEHICLE REPAIR " procedure.