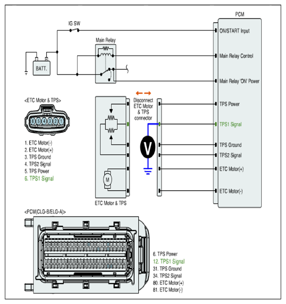
Signal Circuit Inspection
- Check voltage
- IG "OFF" and disconnect ETC Motor & TPS connector.
- IG "ON".
- Measure voltage between TPS1 signal terminal of ETC Motor & TPS harness connector and chassis ground.
Specification: Approx. 5V
- Is the measured voltage within specification?
YES
- Go to " 2 Check open in harness" as follows.
NO
- Go to " 3 Check short to battery in harness" as follows.
- Check open in harness
- IG "OFF" and disconnect ETC Motor & TPS connector and PCM connector.
- Measure resistance between TPS1 signal terminal of ETC Motor & TPS harness connector and TPS1 signal terminal of PCM harness connector.
Specification: Below 1Ω
- Is the measured resistance within specification?
YES
- Go to "GROUND CIRCUIT INSPECTION " procedure.
NO
- Repair open in harness, and go to "VERIFICATION OF VEHICLE REPAIR " procedure.
- Check short to battery in harness
- IG "OFF" and disconnect ETC Motor & TPS connector and PCM connector.
- Measure resistance between TPS1 signal and TPS power terminals of ETC Motor & TPS harness connector. (Measurement "A")
- Measure resistance between TPS1 signal and ETC motor (+) terminals of ETC Motor & TPS harness connector. (Measurement "B")
- Measure resistance between TPS1 signal and ETC motor (-) terminals of ETC Motor & TPS harness connector. (Measurement "B")
Specification: Infinite
- Is the measured resistance within specification?
YES
- Go to "GROUND CIRCUIT INSPECTION " procedure.
NO
- Repair short to battery in harness, and go to "VERIFICATION OF VEHICLE REPAIR " procedure.