Signal Circuit Inspection
- Check voltage
- IG "OFF" and disconnect ETC Motor & TPS connector.
- IG "ON".
- Measure voltage between TPS2 signal terminal of ETC Motor & TPS harness connector and chassis ground.
Specification: Approx. 0V
- Is the measured voltage within specification?
YES
- Go to "GROUND CIRCUIT INSPECTION " procedure.
NO
- Go to " 2 Check short to battery in harness" as follows.
- Check short to battery in harness
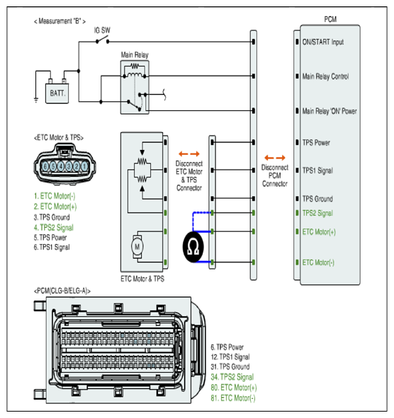
- IG "OFF" and disconnect ETC Motor & TPS connector and PCM connector.
- Measure resistance between TPS2 signal and TPS power terminals of ETC Motor & TPS harness connector. (Measurement "A")
- Measure resistance between TPS2 signal and ETC motor (+) terminals of ETC Motor & TPS harness connector. (Measurement "B")
- Measure resistance between TPS2 signal and ETC motor (-) terminals of ETC Motor & TPS harness connector. (Measurement "B")
Specification: Infinite
- Is the measured resistance within specification?
YES
- Go to "GROUND CIRCUIT INSPECTION " procedure.
NO
- Repair short to battery in harness, and go to "VERIFICATION OF VEHICLE REPAIR " procedure.