Component Inspection
- Check FLS resistance
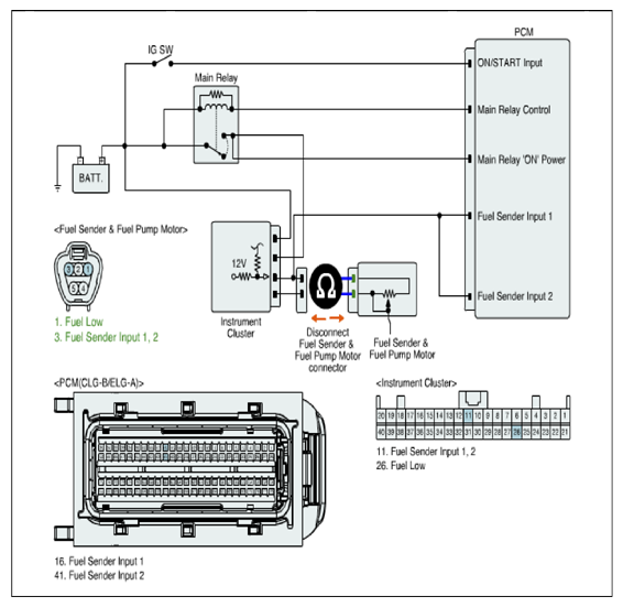
- IG "OFF" and Disconnect Fuel Sender & Fuel Pump Motor connector.
- Remove fuel sender from fuel tank and measure the resistance of Fuel sender while lifting up and down the fuel level float.
- Does the resistance of FLS change as lifting up and down the fuel level float?
YES
- Substitute with a known - good PCM and check for proper operation. If the problem is corrected, replace PCM and go to "VERIFICATION OF VEHICLE REPAIR " procedure.
NO
- Substitute with a known - good Fuel Sender and check for proper operation. If the problem is corrected, replace Fuel Sender and go to "VERIFICATION OF VEHICLE REPAIR " procedure.