Control Circuit Inspection
- Check waveform
- IG "OFF" and connect GDS.
- Connect probe to COM terminal to check control waveform by using oscilloscope function.
- ENG "ON" and monitor signal waveform.
Specification: Refer to the illustrations in SIGNAL WAVEFORM & Data .
- Is the measured waveform within specification?
YES
- Go to " 2 Check Open in harness" as follows.
NO
- Go to " 3 Check Short in harness" as follows.
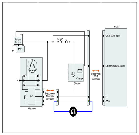
- Check Open in harness
- IG "OFF" and disconnect Alternator and PCM connector
- Measure resistant between com terminal of alternator and PCM harness connector.
Specification: Below 1Ω
Courtesy of HYUNDAI MOTOR AMERICA
- Is the measured resistance within specification?
YES
- Go to "VERIFICATION OF VEHICLE REPAIR " procedure.
NO
- Repair open in harness and go to "VERIFICATION OF VEHICLE REPAIR " procedure.
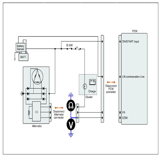
- Check Short in harness
- IG "OFF" and disconnect Alternator and PCM connector
- Measure the resistance between com terminal of the alternator harness connector and chassis ground.
- IG "ON" and measure the voltage between com terminal of the alternator harness connector and chassis ground.
Specification: (2.) Approx. below 1Ω, (3.) Approx. 0V
- Is the measured resistance and voltage within specification?
YES
- Substitute with a known - good PCM and check for proper operation. If the problem is corrected, replace PCM and go to "VERIFICATION OF VEHICLE REPAIR " procedure.
NO
- Repair short in harness and go to "VERIFICATION OF VEHICLE REPAIR " procedure.