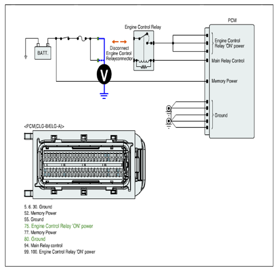
Power Circuit Inspection
- Check voltage
- IG "OFF" and disconnect the main relay.
- IG "ON".
- Measure the voltage between power supply terminals of main relay harness connector and chassis ground.
Specification: Approx. B+ (Battery Voltage)
- Is the measured voltage within specification?
YES
- Go to "CONTROL CIRCUIT INSPECTION " procedure.
NO
- Check the fuse between battery and main relay.
- Repair open or short to ground in power harness and go to "VERIFICATION OF VEHICLE REPAIR " procedure.