Signal Circuit Inspection
- Check short to ground in harness
- IG "OFF".
- Disconnect APS connector and PCM connector.
- Measure resistance between APS1 signal terminal of APS harness connector and chassis ground. (Measurement "A")
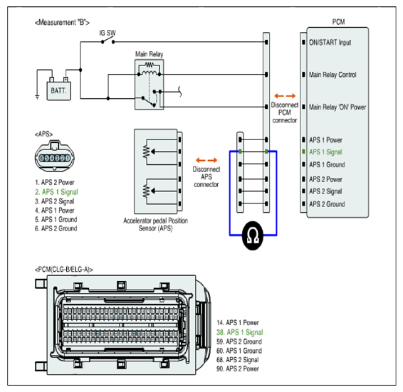
- Measure resistance between APS1 signal and APS1(2) ground terminals of APS harness connector. (Measurement "B")
Specification: Infinite
Courtesy of HYUNDAI MOTOR AMERICA
- Is the measured resistance within specification?
YES
- Go to " 2 Check open in harness" as follows.
NO
- Repair short to ground in harness and go to "VERIFICATION OF VEHICLE REPAIR " procedure.
- Check open in harness
- IG "OFF" and disconnect APS connector and PCM connector.
- Measure resistance between APS1 signal terminal of APS harness connector and APS1 signal terminal of ECM harness connector.
Specification: Approx. below 1Ω.
- Is the measured resistance within specification?
YES
- Go to "COMPONENT INSPECTION " procedure.
NO
- Repair open in harness and go to "VERIFICATION OF VEHICLE REPAIR " procedure.