LEMON Manuals: Even more car manuals for everyone: 1960-2025
Home >> Hyundai >> 2014 >> Azera Base >> Repair and Diagnosis >> Transmission >> Automatic Trans >> Automatic Transaxle Control System >> Transaxle Control Module (TCM) >> Schematic Diagrams >> Circuit Diagram
April 5, 2026: LEMON Manuals is launched! Read the announcement.

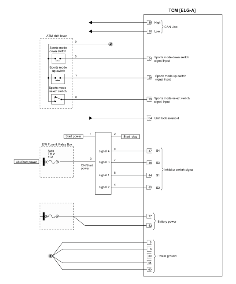
Circuit Diagram

Fig 1: TCM Circuit Diagram (ELG-A) (1 Of 2)
G08809910Courtesy of HYUNDAI MOTOR AMERICA
Fig 2: TCM Circuit Diagram (ELG-A) (2 Of 2)
G08809911Courtesy of HYUNDAI MOTOR AMERICA