LEMON Manuals: Even more car manuals for everyone: 1960-2025
Home >> Hyundai >> 2014 >> Elantra SE, Automatic Trans >> Repair and Diagnosis >> Engine Performance >> Engine Control Systems >> Engine Control System >> Engine Control Module (ECM) >> Schematic Diagrams >> Circuit Diagram >> (M/T)
April 5, 2026: LEMON Manuals is launched! Read the announcement.

Circuit Diagram: (M/T)

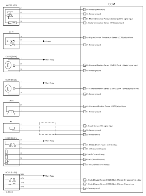
Fig 1: M/T - Circuit Diagram (1 Of 4)
G10234838Courtesy of HYUNDAI MOTOR AMERICA
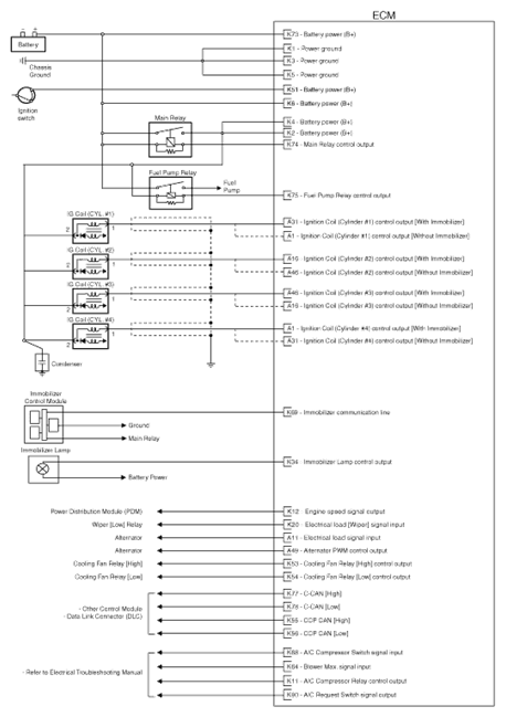
Fig 2: M/T - Circuit Diagram (2 Of 4)
G10234839Courtesy of HYUNDAI MOTOR AMERICA
Fig 3: M/T - Circuit Diagram (3 Of 4)
G10234840Courtesy of HYUNDAI MOTOR AMERICA
Fig 4: M/T - Circuit Diagram (4 Of 4)
G10234841Courtesy of HYUNDAI MOTOR AMERICA