LEMON Manuals: Even more car manuals for everyone: 1960-2025
Home >> Hyundai >> 2014 >> Equus Signature >> Repair and Diagnosis (Single Page) >> Engine Mechanical >> Fuel System >> Fuel Delivery System >> Fuel Pump Control Module (FPCM) >> Schematic Diagrams >> Circuit Diagram
April 5, 2026: LEMON Manuals is launched! Read the announcement.

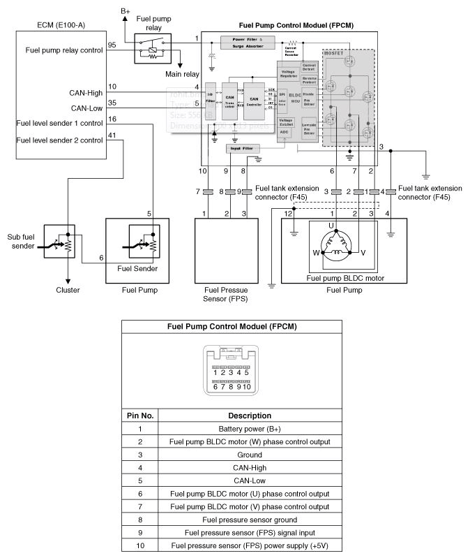
Circuit Diagram

Fig 1: Fuel Pump Control Module - Circuit Diagram
G09789469Courtesy of HYUNDAI MOTOR AMERICA