LEMON Manuals: Even more car manuals for everyone: 1960-2025
Home >> Hyundai >> 2014 >> Genesis 3.8 >> Repair and Diagnosis (Single Page) >> Engine Performance >> System >> Engine Control System Diagnosis - 3.8L (1 Of 3) >> DTC P0140: O2 Sensor Circuit No Activity Detected (Bank 1/Sensor 2) >> General Information >> Diagnostic Circuit Diagram
April 5, 2026: LEMON Manuals is launched! Read the announcement.

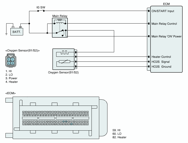
Diagnostic Circuit Diagram

Fig 1: Oxygen Sensor (Bank 1/Sensor 2) Diagnostic Circuit Diagram
G08836120Courtesy of HYUNDAI MOTOR AMERICA