LEMON Manuals: Even more car manuals for everyone: 1960-2025
Home >> Hyundai >> 2014 >> Santa Fe Sport 2.0T, AWD >> Repair and Diagnosis >> Engine Performance >> Engine Control Systems >> Engine Control System - 2.0L >> Engine Control Module (ECM) >> Schematic Diagrams >> Circuit Diagram
April 5, 2026: LEMON Manuals is launched! Read the announcement.

Circuit Diagram

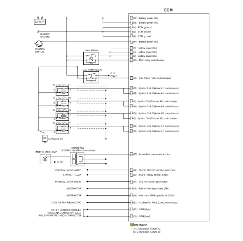
Fig 1: ECM - Circuit Diagram (1 Of 4)
G09364963Courtesy of HYUNDAI MOTOR AMERICA
Fig 2: ECM - Circuit Diagram (2 Of 4)
G09364964Courtesy of HYUNDAI MOTOR AMERICA
Fig 3: ECM - Circuit Diagram (3 Of 4)
G09364965Courtesy of HYUNDAI MOTOR AMERICA
Fig 4: ECM - Circuit Diagram (4 Of 4)
G09364966Courtesy of HYUNDAI MOTOR AMERICA