LEMON Manuals: Even more car manuals for everyone: 1960-2025
Home >> Hyundai >> 2014 >> Tucson GLS, FWD >> Repair and Diagnosis >> Engine Performance >> Engine Control Systems >> Engine Control System - 2.0L >> Engine Control Module (ECM) >> Schematic Diagrams >> Circuit Diagram >> (M/T)
April 5, 2026: LEMON Manuals is launched! Read the announcement.

Circuit Diagram: (M/T)

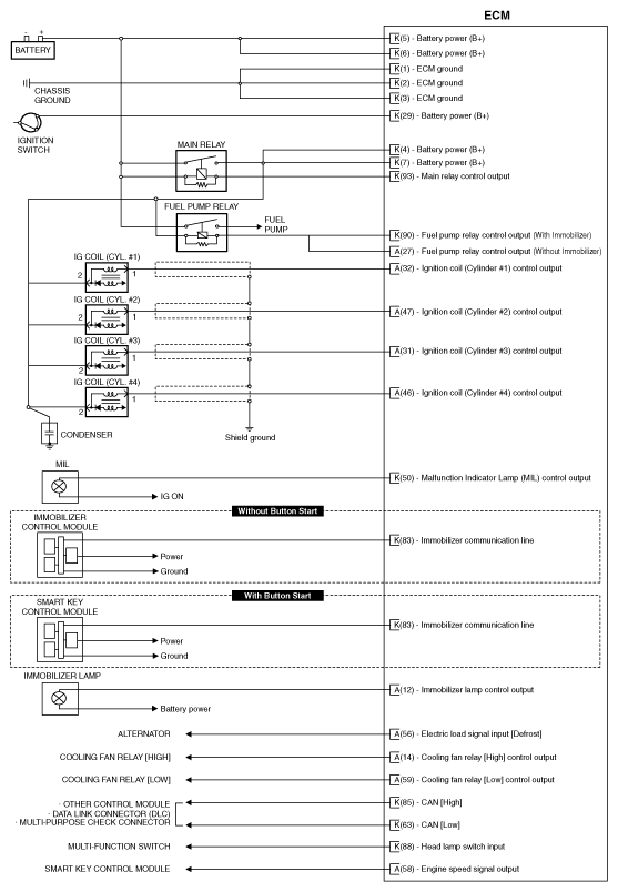
Fig 1: Engine Control Module System Circuit Diagram (M/T; 1 Of 4)
G09798565Courtesy of HYUNDAI MOTOR AMERICA
Fig 2: Engine Control Module System Circuit Diagram (M/T; 2 Of 4)
G09798566Courtesy of HYUNDAI MOTOR AMERICA
Fig 3: Engine Control Module System Circuit Diagram (M/T; 3 Of 4)
G09798567Courtesy of HYUNDAI MOTOR AMERICA
Fig 4: Engine Control Module System Circuit Diagram (M/T; 4 Of 4)
G09798568Courtesy of HYUNDAI MOTOR AMERICA