LEMON Manuals: Even more car manuals for everyone: 1960-2025
Home >> Hyundai >> 2014 >> Tucson SE, FWD >> Repair and Diagnosis >> Electrical >> Starter >> Button Engine Start System >> Button Engine Start System >> Schematic Diagrams >> Circuit Diagram
April 5, 2026: LEMON Manuals is launched! Read the announcement.

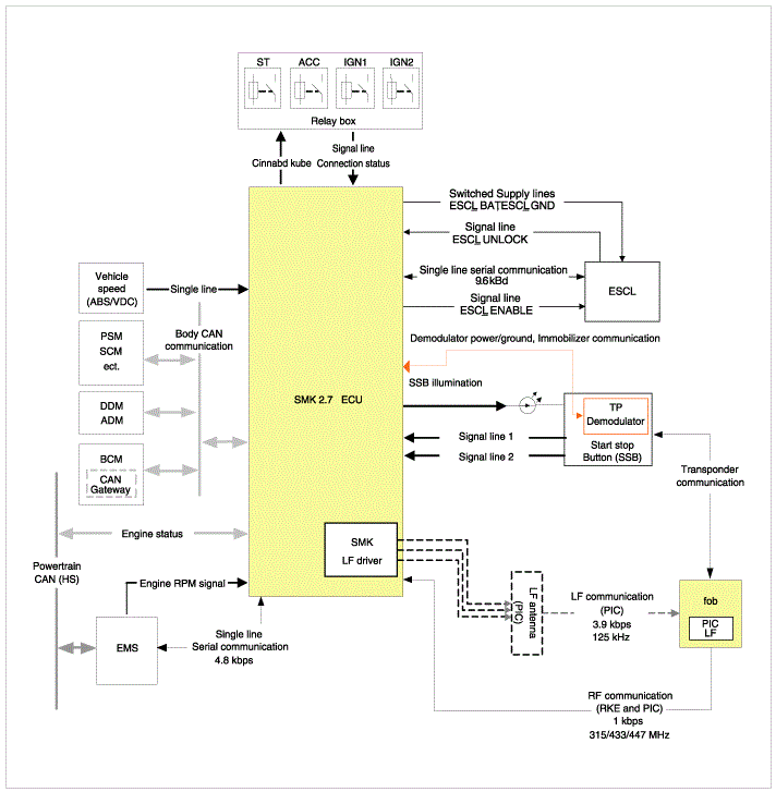
Circuit Diagram

Fig 1: Button Engine Start System Circuit Diagram
G00547193Courtesy of HYUNDAI MOTOR CO.