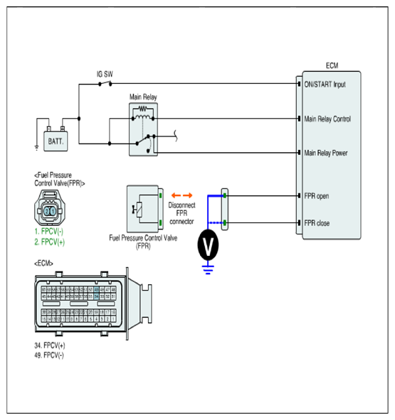
Control Circuit Inspection
- Check Open or Short in FPR circuit
- IG KEY "OFF".
- Disconnect FPR connector.
- IG KEY "ON" & ENG "OFF".
- Measure the voltage between FPR open, FPR close terminal of FPR harness connector and chassis ground.
Specification:
FPR open Terminal: Approx. 0~0.6V
FPR close Terminal: Approx. 0.6V
- Is the measured voltage within specification?
YES
Go to "COMPONENT INSPECTION " procedure.
NO
Check for Open or Short in FPR circuit. Repair as necessary and then go to "VERIFICATION OF VEHICLE REPAIR " procedure.