LEMON Manuals: Even more car manuals for everyone: 1960-2025
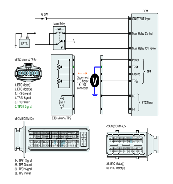
Home >> Hyundai >> 2014 >> Veloster Base, Standard Trans >> Repair and Diagnosis (Single Page) >> Engine Performance >> System >> Engine Control System Diagnosis (1 Of 2) - Non-Turbo >> DTC P0123: Throttle Position Sensor 1 Signal Circuit High Input >> W/Harness Inspection >> Signal Circuit Inspection
April 5, 2026: LEMON Manuals is launched! Read the announcement.

Signal Circuit Inspection